|
|
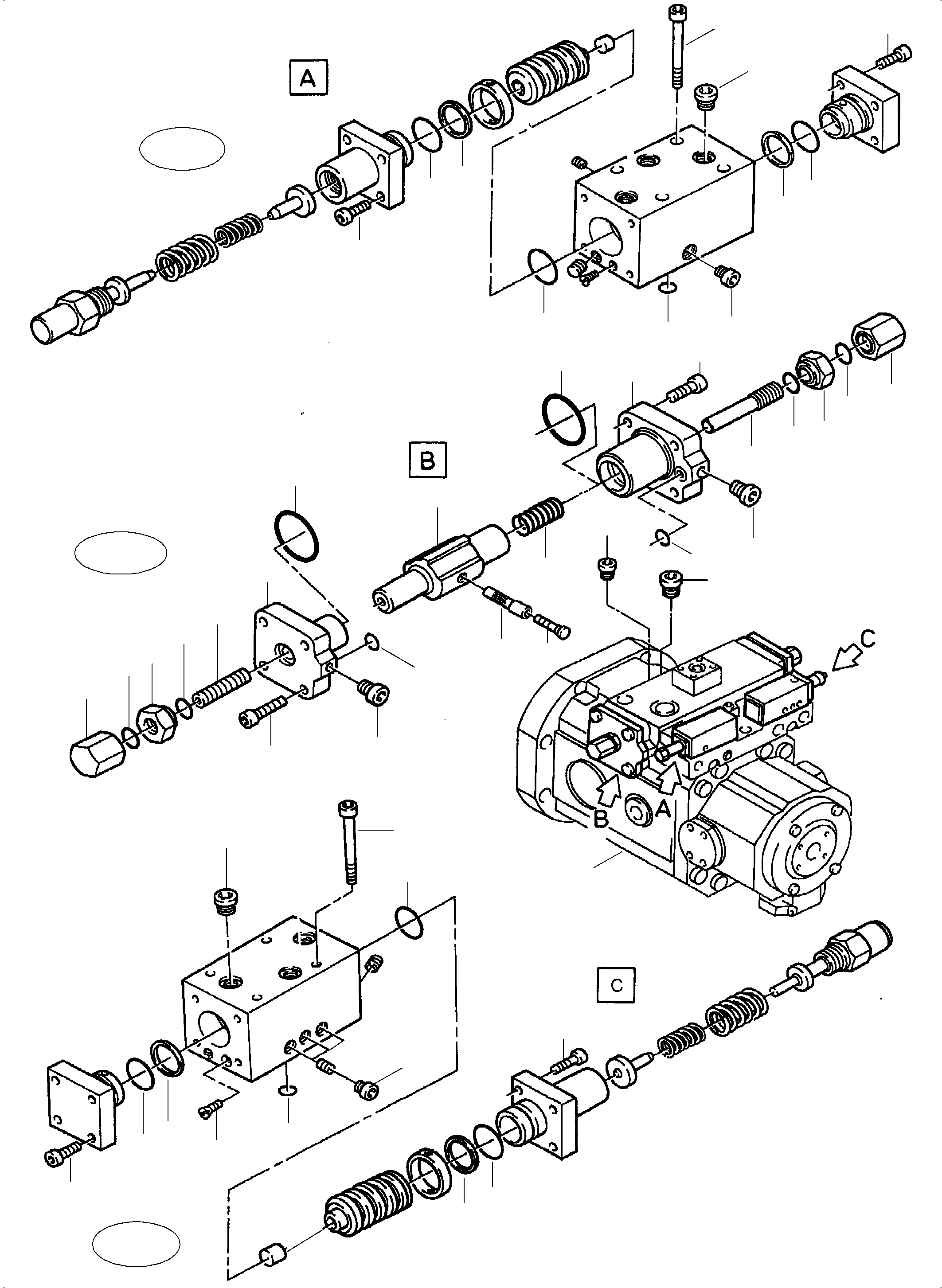
01 |
959 318 40
|
Hydro pump, to be adjusted by customer according to working altitude and KM AH 06542b |
1 |
|
|
|
|
02 |
763 522 73
|
Pilot valve assy |
1 |
|
|
|
|
05 |
319 540 99
|
Bolt |
16 |
|
|
|
|
06 |
767 054 73
|
O-ring |
2 |
|
|
|
|
07 |
767 055 73
|
Support ring |
2 |
|
|
|
|
08 |
431 031 73
|
Plug |
3 |
|
|
|
|
09 |
255 985 40
|
Plug |
4 |
|
|
|
|
11 |
319 248 99
|
Bolt |
8 |
|
|
|
|
13 |
798 831 73
|
Plug |
10 |
|
|
|
|
14 |
511 561 98
|
O-ring |
10 |
|
|
|
|
20 |
767 065 73
|
Support ring |
2 |
|
|
|
|
21 |
767 066 73
|
O-ring |
2 |
|
|
|
|
22 |
767 067 73
|
O-ring |
6 |
|
|
|
|
31 |
763 523 73
|
Pilot valve assy |
1 |
|
|
|
|
32 |
767 075 73
|
Nut |
2 |
|
|
|
|
33 |
767 076 73
|
O-ring |
4 |
|
|
|
|
34 |
767 077 73
|
Nut |
2 |
|
|
|
|
35 |
767 078 73
|
Treaded pin |
1 |
|
|
|
|
36 |
320 153 99
|
Bolt |
8 |
|
|
|
|
37 |
767 079 73
|
Piston housing |
1 |
|
|
|
|
39 |
767 080 73
|
O-ring |
2 |
|
|
|
|
40 |
767 081 73
|
O-ring |
2 |
|
|
|
|
42 |
798 324 73
|
Set piston |
1 |
|
|
|
|
43 |
766 693 73
|
Bushing |
1 |
|
|
|
|
44 |
767 085 73
|
Guide shoe |
1 |
|
|
|
|
45 |
767 086 73
|
Spring |
1 |
|
|
|
|
46 |
767 087 73
|
Threaded pin |
1 |
|
|
|
|
47 |
767 088 73
|
Piston housing |
1 |
|
|
|
|
48 |
173 493 40
|
Bolt |
2 |
|
|
|
|
49 |
|
Bolt |
1 |
|
|
|
|
50 |
766 694 73
|
Valve assy. |
1 |
|
|
|
|
51 |
766 695 73
|
Valve housing |
1 |
|
|
|
|
52 |
255 985 40
|
Plug |
3 |
|
|
|
|
53 |
173 493 40
|
Plug |
2 |
|
|
|
|
54 |
767 092 73
|
O-ring |
4 |
|
|
|
|
55 |
767 093 73
|
O-ring |
1 |
|
|
|
|
56 |
319 265 99
|
Bolt |
2 |
|
|
|
|
57 |
767 094 73
|
Breaking plug |
3 |
|
|
|
|
58 |
765 466 73
|
Breaking plug |
3 |
|
|
|
|
59 |
794 402 73
|
Breaking plug |
3 |
|
|
|
|
60 |
319 259 99
|
Bolt |
2 |
|
|
|
|
62 |
796 778 73
|
Non return valve |
1 |
|
|
|
|
63 |
345 040 99
|
Dowel sleeve |
1 |
|
|
|
|
64 |
766 697 73
|
Non return valve |
1 |
|
|
|
|
65 |
767 724 73
|
O-ring |
1 |
|
|
|
|
66 |
509 633 98
|
Threaded pin |
1 |
|
|
|
|
67 |
363 539 99
|
Ball |
1 |
|
|
|
|
68 |
363 424 99
|
Ball |
2 |
|
|
|
|
69 |
767 098 73
|
Eccentric stud |
1 |
|
|
|
|
70 |
756 820 73
|
Needle cage |
2 |
|
|
|
|
71 |
767 099 73
|
Lever |
1 |
|
|
|
|
72 |
767 100 73
|
Parallel pin |
1 |
|
|
|
|
73 |
767 101 73
|
Sleeve |
1 |
|
|
|
|
74 |
|
Bolt |
1 |
|
|
|
|
75 |
767 103 73
|
Union |
2 |
|
|
|
|
76 |
215 390 99
|
Pipe Ш 8 |
-2 |
|
|
|
|
77 |
767 104 73
|
Union |
1 |
|
|
|
|
78 |
767 105 73
|
Plug |
1 |
|
|
|
|
100 |
766 698 73
|
Indicator assy |
1 |
|
|
|
|
102 |
319 417 99
|
Bolt |
1 |
|
|
|
|
103 |
766 699 73
|
Pointer |
1 |
|
|
|
|
104 |
766 700 73
|
Seal |
1 |
|
|
|
|
105 |
|
Scale |
1 |
|
|
|
|
106 |
766 701 73
|
Threaded pin |
1 |
|
|
|
|
107 |
767 120 73
|
O-ring |
1 |
|
|
|
|
108 |
767 121 73
|
Quad-ring |
1 |
|
|
|
|
110 |
766 706 73
|
Pivot |
1 |
|
|
|
|
111 |
767 124 73
|
Joint part |
1 |
|
|
|
|
112 |
345 370 99
|
Dowel sleeve |
1 |
|
|
|
|
120 |
767 125 73
|
Pilot valve |
1 |
|
|
|
|
|$$71 |
767 160 73
|
Seal kit, pilot valve fig. no. 120 |
1 |
|
|
|
|
121 |
768 659 73
|
Pump housing (not available) |
1 |
|
|
|
|
122 |
173 493 40
|
Plug |
3 |
|
|
|
|
123 |
767 128 73
|
Plug |
3 |
|
|
|
|
124 |
767 129 73
|
Thread pin |
1 |
|
|
|
|
125 |
767 130 73
|
O-ring |
1 |
|
|
|
|
126 |
768 658 73
|
Power unit (not available) |
1 |
|
|
|
|
127 |
763 177 73
|
O-ring |
1 |
|
|
|
|
128 |
763 178 73
|
O-ring |
2 |
|
|
|
|
129 |
|
Plug |
3 |
|
|
|
|
130 |
|
Dummy flange |
1 |
|
|
|
|
131 |
767 133 73
|
Housing |
1 |
|
|
|
|
132 |
319 310 99
|
Bolt |
8 |
|
|
|
|
133 |
767 094 73
|
Plug |
2 |
|
|
|
|
134 |
519 533 98
|
O-ring |
1 |
|
|
|
|
135 |
767 136 73
|
Cover |
1 |
|
|
|
|
136 |
319 156 99
|
Bolt |
2 |
|
|
|
|
137 |
340 467 99
|
Washer |
2 |
|
|
|
|
140 |
768 660 73
|
Throttle Screw |
1 |
|
|
|
|
141 |
768 661 73
|
Throttle Screw |
1 |
|
|
|
|
142 |
767 901 73
|
Throttle Screw |
1 |
|
|
|
|
143 |
768 662 73
|
Throttle Screw |
1 |
|
|
|
|
145 |
765 465 73
|
Plug |
1 |
|
|
|
|
150 |
342 686 99
|
Ring |
1 |
|
|
|
|
151 |
768 666 73
|
Sealing flange |
1 |
|
|
|
|
152 |
799 659 73
|
Ring |
1 |
|
|
|
|
153 |
516 067 98
|
O-ring |
1 |
|
|
|
|
154 |
767 140 73
|
Drive shaft |
1 |
|
|
|
|
156 |
769 130 73
|
Bearing |
1 |
|
|
|
|
157 |
342 566 99
|
Ring |
1 |
|
|
|
|
159 |
767 927 73
|
Bolt |
2 |
|
|
|
|
160 |
|
Sealing bush |
1 |
|
|
|
|
161 |
767 144 73
|
Sliding block |
1 |
|
|
|
|
162 |
767 145 73
|
Pivot |
1 |
|
|
|
|
163 |
342 528 99
|
Ring |
1 |
|
|
|
|
164 |
|
Slider |
1 |
|
|
|
|
165 |
767 147 73
|
Balancer |
1 |
|
|
|
|
166 |
767 148 73
|
Segment |
4 |
|
|
|
|
167 |
769 131 73
|
Piston / guide shoe |
9 |
|
|
|
|
168 |
769 132 73
|
Plate |
1 |
|
|
|
|
169 |
767 151 73
|
Spacer block |
4 |
|
|
|
|
170 |
319 422 99
|
Bolt |
8 |
|
|
|
|
171 |
768 665 73
|
Ball |
1 |
|
|
|
|
172 |
768 673 73
|
Spring package |
1 |
|
|
|
|
173 |
768 668 73
|
Washer |
1 |
|
|
|
|
174 |
768 672 73
|
|
1 |
|
|
|
|
175 |
|
Washer |
1 |
|
|
|
|
176 |
768 667 73
|
Washer |
1 |
|
|
|
|
177 |
798 327 73
|
Cylinder with bushing |
1 |
|
|
|
|
178 |
769 134 73
|
Distribution plate |
1 |
|
|
|
|
179 |
319 140 99
|
Screw |
6 |
|
|
|
|
180 |
769 135 73
|
Bearing |
1 |
|
|
|
|
181 |
767 159 73
|
Bushing |
2 |
|
|
|
|
182 |
767 410 73
|
O-ring |
1 |
|
|
|
|
183 |
769 136 73
|
Adjustment assy. |
1 |
|
|
|
|
184 |
320 153 99
|
Bolt |
4 |
|
|
|
|
185 |
767 409 73
|
O-ring |
1 |
|
|
|
|
190 |
516 066 98
|
O-ring |
1 |
|
|
|
|
|$$129 |
798 834 73
|
Seal kit pump without valves concist. of fig no.33,39,40 104,107,108,125,127,128,134 153,182 |
1 |
|
|
|
|
|$$130 |
767 164 73
|
Seal kit adjustment assy. fig. no. 183 |
1 |
|
|
|
|
|$$131 |
798 832 73
|
Seal kit, pilot valve concist. of fig no 06,07,09 10,13,14,20,21,22 |
1 |
|
|
|
|
|$$132 |
798 833 73
|
Repair kit valve concist. of fig no. 52,53,54 55,,65,20,21,22 |
1 |
|
|