Find books across the catalog from one place.
This page is prepared as the search workspace. The search behavior itself can be connected in the next step.
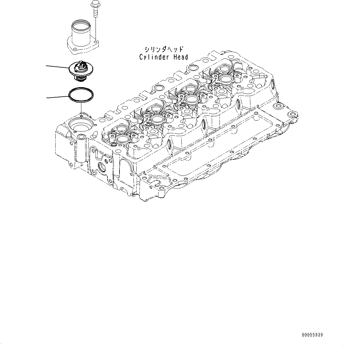
6212611203.THERMOSTAT, (#26739553-) (AEC00-002001) in SAA4D107E-1 S/N 26739553-UP (For PC200-10M0). Diagram image and parts list.
Test text. Dear users! Access to the special equipment catalogs is paid. You can review the service usage rules and tariffs on the page!