Find books across the catalog from one place.
This page is prepared as the search workspace. The search behavior itself can be connected in the next step.
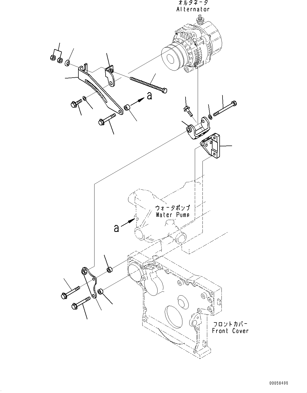
6212611203.ALTERNATOR MOUNTING, (#577757-) (AEH10-001001) in SAA4D95LE-5 S/N 0-UP (For PC130-10M0). Diagram image and parts list.
Test text. Dear users! Access to the special equipment catalogs is paid. You can review the service usage rules and tariffs on the page!