Find books across the catalog from one place.
This page is prepared as the search workspace. The search behavior itself can be connected in the next step.
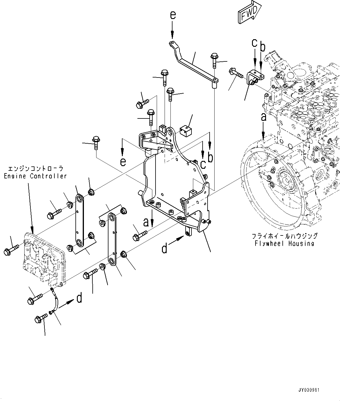
6212611203.ENGINE CONTROLLER MOUNTING (#800001-) (APH10-001001) in SAA4D95LE-7AA S/N 800001-UP (For D37EX-24/D37EXI-24/D37PX-24/D37PXI-24). Diagram image and parts list.
Test text. Dear users! Access to the special equipment catalogs is paid. You can review the service usage rules and tariffs on the page!