Find books across the catalog from one place.
This page is prepared as the search workspace. The search behavior itself can be connected in the next step.
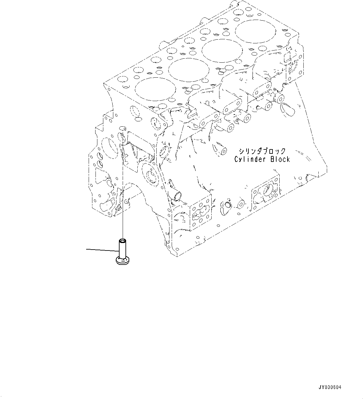
6212611203.CYLINDER BLOCK, TAPPET (#800001-) (ABB00-001002) in SAA4D95LE-7BB S/N 800001-UP (For D39EX-24/D39EXI-24/D39PX-24/D39PXI-24). Diagram image and parts list.
Test text. Dear users! Access to the special equipment catalogs is paid. You can review the service usage rules and tariffs on the page!