|
|
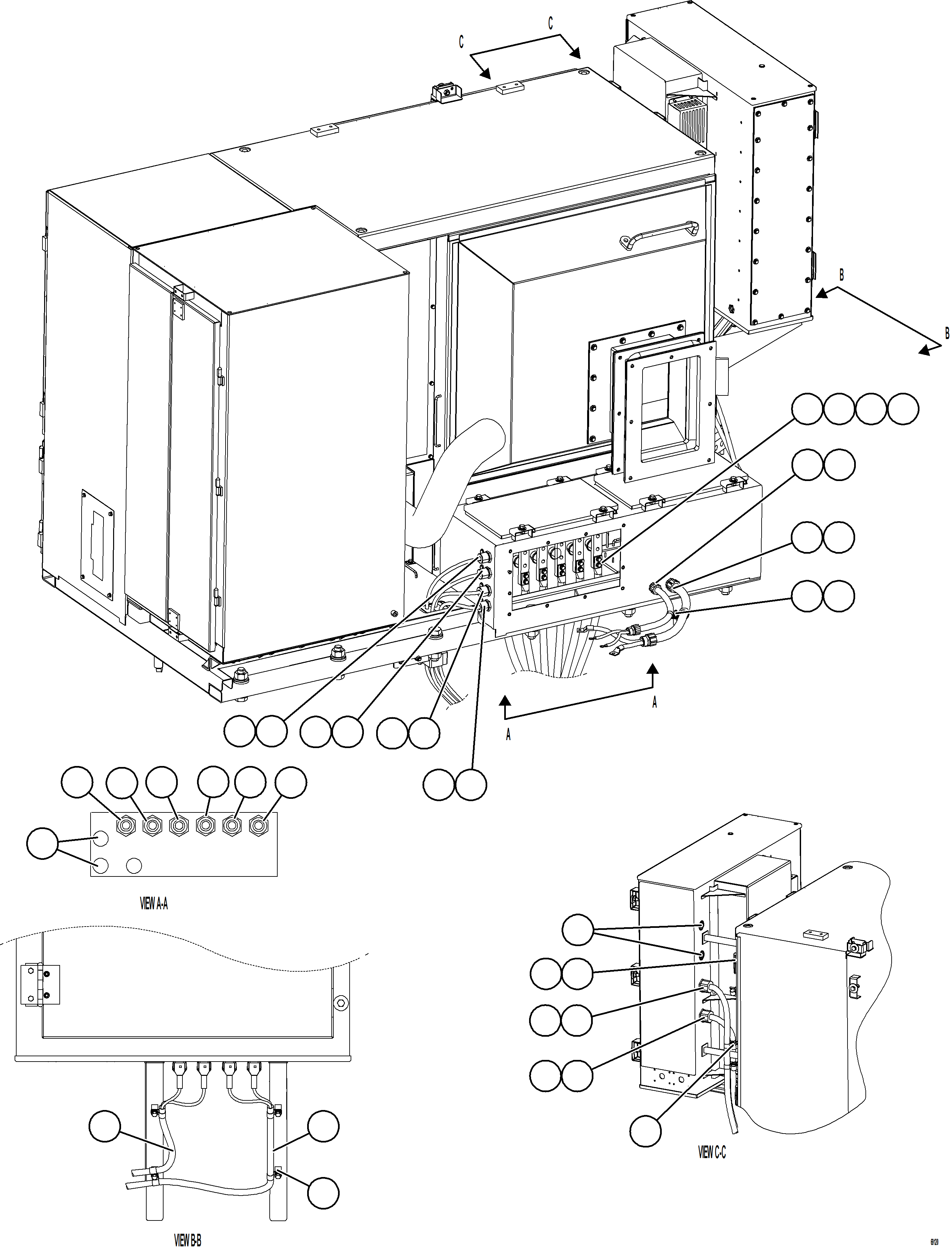
1 |
58F-06-20270
|
CABLE, TM1 TB |
1 |
|
|
|
|
2 |
58F-06-20170
|
CABLE, TM1 TA |
1 |
|
|
|
|
3 |
58F-06-20370
|
CABLE, TM1 TC |
1 |
|
|
|
|
4 |
58F-06-20470
|
CABLE, TM2 TC |
1 |
|
|
|
|
5 |
58F-06-20570
|
CABLE, TM2 TB |
1 |
|
|
|
|
6 |
58F-06-20670
|
CABLE, TM2 TA |
1 |
|
|
|
|
7 |
58F-06-02951
|
CABLE, F1 |
1 |
|
|
|
|
8 |
58F-06-02961
|
CABLE, T19 |
1 |
|
|
|
|
9 |
58F-06-03561
|
CABLE, F2 |
1 |
|
|
|
|
10 |
58F-06-03461
|
CABLE, T20 |
1 |
|
|
|
|
11 |
58F-06-02971
|
CABLE, CGB MAIN PHASE |
1 |
|
|
|
|
12 |
58F-06-03041
|
HARNESS, WIRING - WMB MAIN |
1 |
|
|
|
|
13 |
58E-06-13141
|
HARNESS, WIRING - TRANS SEC |
1 |
|
|
|
|
14 |
58E-06-13131
|
HARNESS, WIRING - TRANS PRI |
1 |
|
|
|
|
15 |
58F-06-03050
|
HARNESS, WIRING - WM/CG SPD |
1 |
|
|
|
|
16 |
58F-06-02881
|
HARNESS, WIRING - GB SPD SE |
1 |
|
|
|
|
17 |
VC8762
|
CAPSCREW - 3/8" - 16NC X 1 1/2" |
12 |
|
|
|
|
18 |
TR4436
|
FLAT WASHER, HARDENED - 3/8" |
24 |
|
|
|
|
19 |
TC1231
|
LOCKWASHER - 3/8" |
12 |
|
|
|
|
20 |
TC1233
|
NUT - 3/8" - 16NC |
12 |
|
|
|
|
21 |
EM6779
|
O-RING, METAL CLAD - 1 1/4" |
5 |
|
|
|
|
22 |
EM6780
|
O-RING, METAL CLAD |
13 |
|
|
|
|
23 |
EM8107
|
O-RING, METAL CLAD - 1 1/2" |
9 |
|
|
|
|
24 |
WB3093
|
CLAMP, CUSHIONED - 1" |
10 |
|
|
|
|
25 |
EM6944
|
SPACER |
1 |
|
|
|
|
26 |
58E-09-10000
|
ROD, THREADED - 3/8" - 16NC X 2 3/4" |
1 |
|
|
|
|
27 |
TC1234
|
CAPSCREW - 3/8" - 16NC X 3/4" |
4 |
|
|
|
|
28 |
WB3855
|
CLAMP, CUSHIONED - 13/16" |
1 |
|
|
|
|
29 |
WB1305
|
CLAMP, CUSHIONED - 1 1/2" |
2 |
|
|