Find books across the catalog from one place.
This page is prepared as the search workspace. The search behavior itself can be connected in the next step.
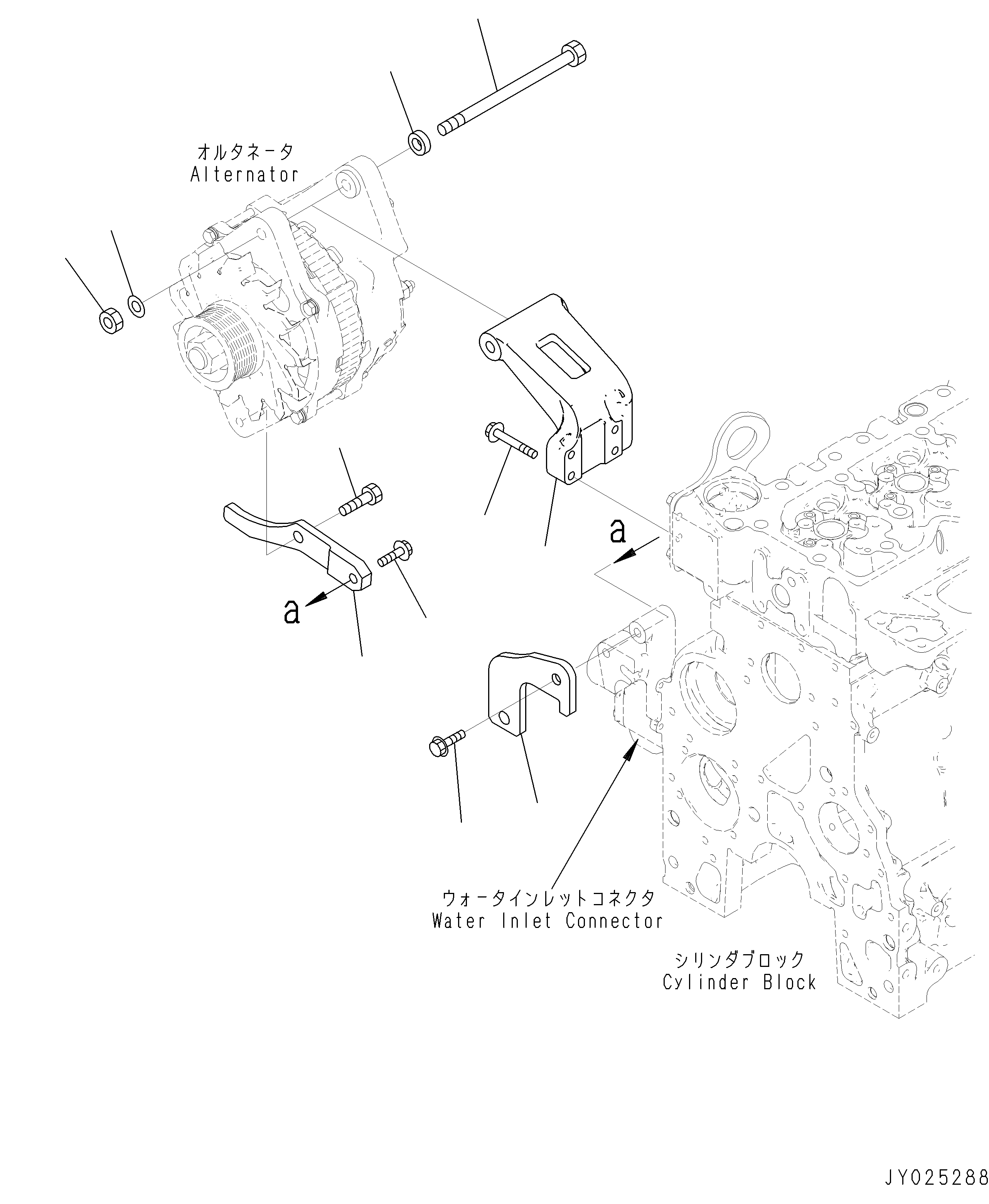
6212611203.A6020-001002 ALTERNATOR MOUNTING (90AMP.) (A6020-001002) in PC230F-11 SN A20700-UP. Diagram image and parts list.
Test text. Dear users! Access to the special equipment catalogs is paid. You can review the service usage rules and tariffs on the page!