Find books across the catalog from one place.
This page is prepared as the search workspace. The search behavior itself can be connected in the next step.
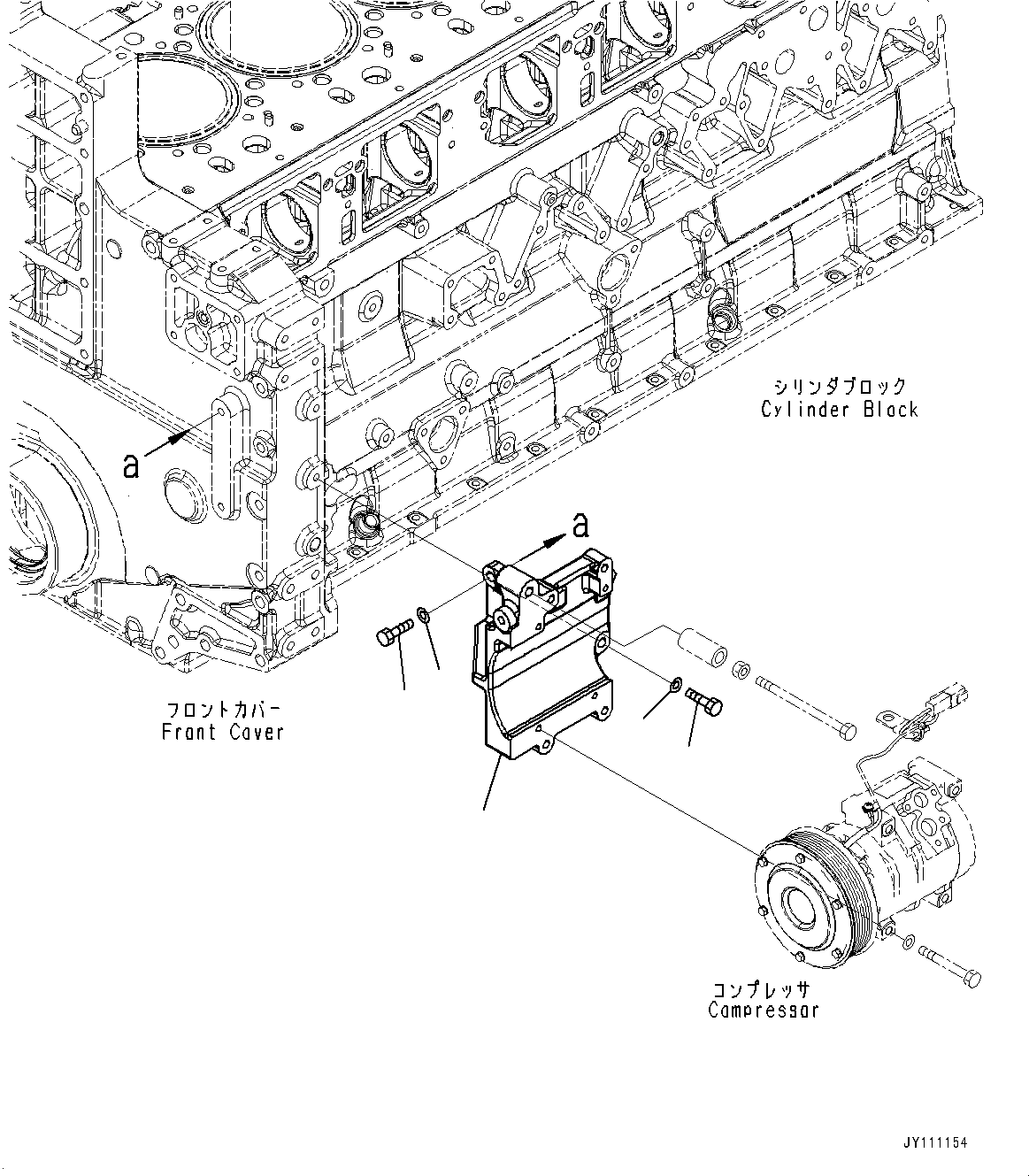
6212611203.ALTERNATOR, COMPRESSOR BRACKET(#837072-) (A6010-001001) in SAA6D140E-7 S/N 837072-UP (For PC900LC-11). Diagram image and parts list.
Test text. Dear users! Access to the special equipment catalogs is paid. You can review the service usage rules and tariffs on the page!