Find books across the catalog from one place.
This page is prepared as the search workspace. The search behavior itself can be connected in the next step.
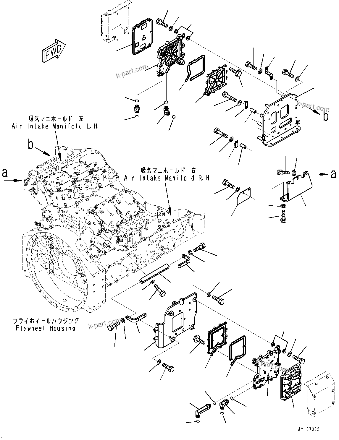
6212611203.ENGINE CONTROLLER, MOUNTING(#900006-) (A4710-002001) in SAA12V140E-7 S/N 900006-UP (For PC2000-11R). Diagram image and parts list.
Test text. Dear users! Access to the special equipment catalogs is paid. You can review the service usage rules and tariffs on the page!