Find books across the catalog from one place.
This page is prepared as the search workspace. The search behavior itself can be connected in the next step.
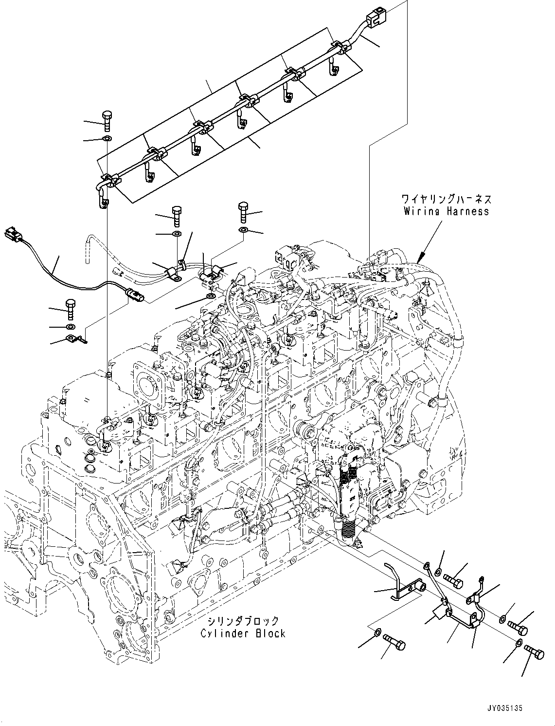
6212611203.WIRING HARNESS, (4/5) (#830556-) (A6810-001004) in SAA6D140E-7D S/N 830556-UP (For PC650LC-11). Diagram image and parts list.
Test text. Dear users! Access to the special equipment catalogs is paid. You can review the service usage rules and tariffs on the page!