Find books across the catalog from one place.
This page is prepared as the search workspace. The search behavior itself can be connected in the next step.
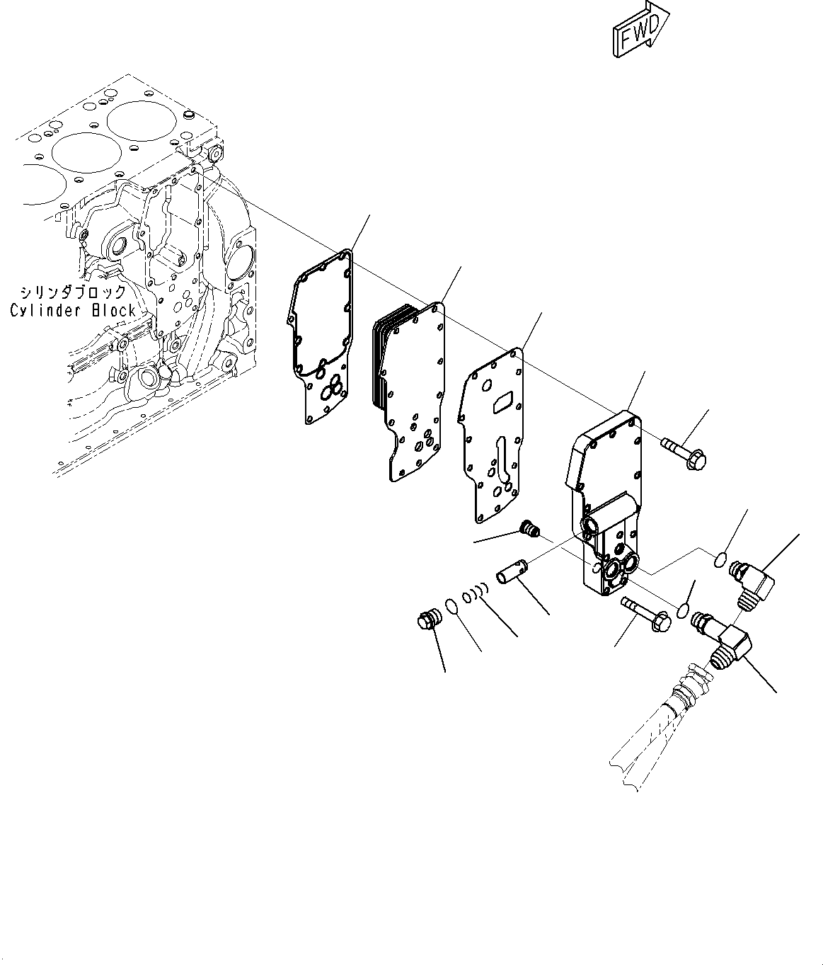
6212611203.ENGINE OIL COOLER, (#26701907-) (ALC00-002001) in SAA6D107E-1 S/N 26701907-UP (For PC210-10M0). Diagram image and parts list.
Test text. Dear users! Access to the special equipment catalogs is paid. You can review the service usage rules and tariffs on the page!