Find books across the catalog from one place.
This page is prepared as the search workspace. The search behavior itself can be connected in the next step.
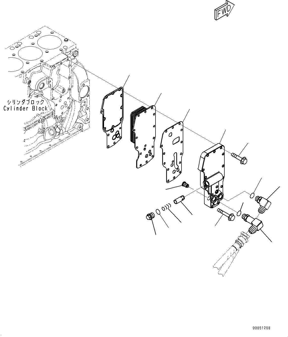
6212611203.ENGINE OIL COOLER (#26546230-) (ALC00-001001) in SAA6D107E-1A S/N 26546230-UP (For BR380JG-1E0). Diagram image and parts list.
Test text. Dear users! Access to the special equipment catalogs is paid. You can review the service usage rules and tariffs on the page!