Find books across the catalog from one place.
This page is prepared as the search workspace. The search behavior itself can be connected in the next step.
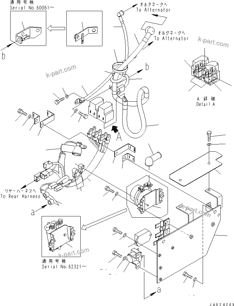
6212611203.REAR HARNESS (2/4) (RELAY ? FUSE AND SUB HARNESS) (SANDY AND DUSTY TERRAIN SPEC.) (E0202-02A7) in WA320-5 S/N 60001-UP. Diagram image and parts list.
Test text. Dear users! Access to the special equipment catalogs is paid. You can review the service usage rules and tariffs on the page!