Search in all models by partnumber
Search current book

Komatsu PC55MR-3 S/N 15001-UP parts catalog PDF

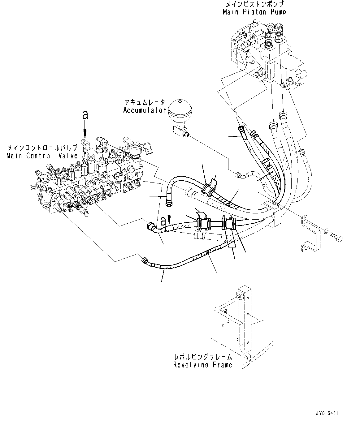
єЭДЫ ?Щ КЮЩМЮ, ГЮШКЮШ ”ZЉЗ(#16006-16500) (H0120-047034A) in PC55MR-3 S/N 15001-UP. Diagram image and parts list.

Model manual types and quick links