Komatsu PC55MR-3 S/N 15001-UP parts catalog PDF

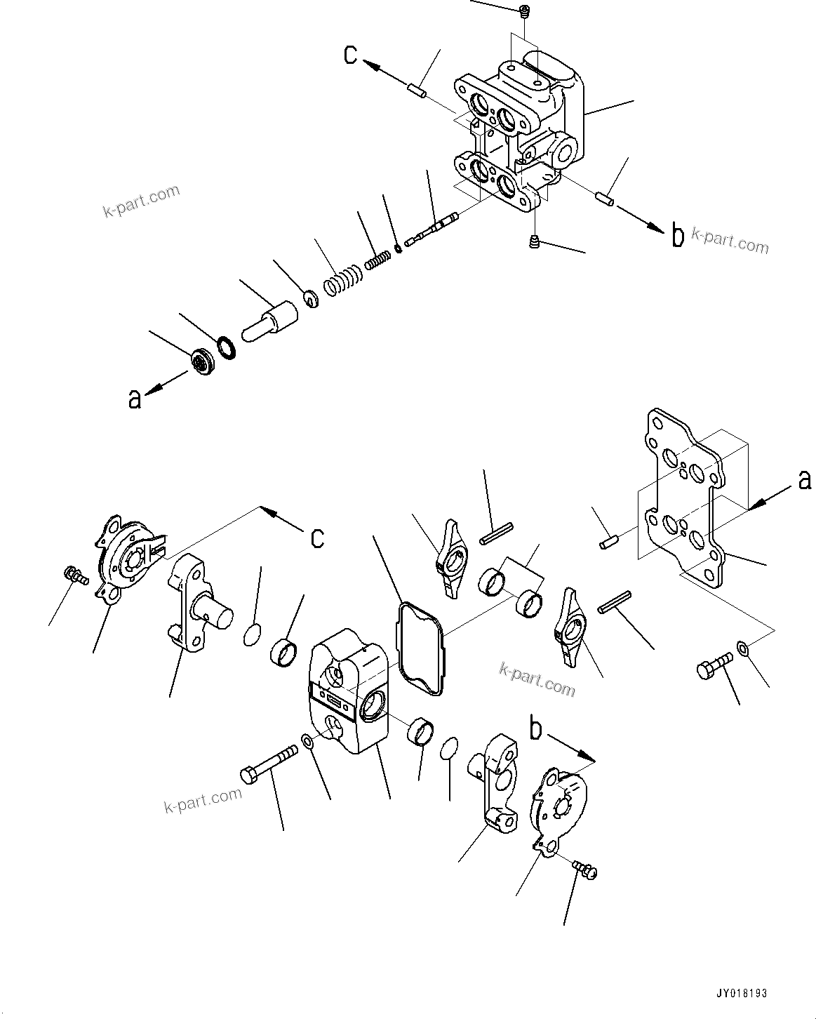
? ?МЮ, PPC КЮЩМЮ(#17233-) (K0210-093012A) in PC55MR-3 S/N 15001-UP. Diagram image and parts list.

Model manual types and quick links