Search in all models by partnumber
Search current book

Komatsu PC55MR-3 S/N 15001-UP parts catalog PDF

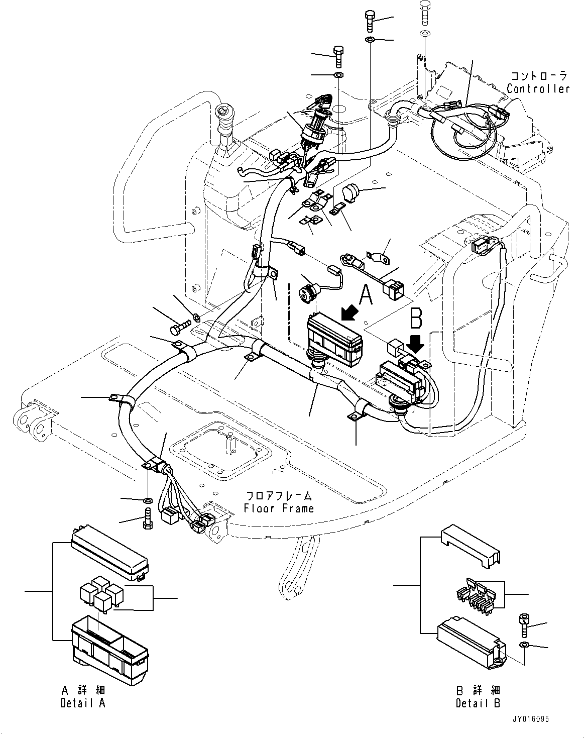
МЫ ? МЪ ?С, Ќм‹Ж‹@ҐЅГ ?ШЭёЮ єЭДЫ ?Щ ЬІФШЭёЮК ?ИЅ(#16501-) (K1110-047015) in PC55MR-3 S/N 15001-UP. Diagram image and parts list.

Model manual types and quick links