Search in all models by partnumber
Search current book

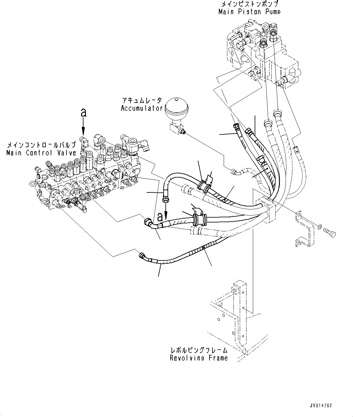
Komatsu PC55MR-3 S/N 15001-UP parts catalog PDF

єЭДЫ ?Щ КЮЩМЮ, ГЮШКЮШ ”ZЉЗ(#15401-16000) (H0120-013029) in PC55MR-3 S/N 15001-UP. Diagram image and parts list.

Model manual types and quick links