Search in all models by partnumber
Search current book

Komatsu D65PX-16 S/N 80001-UP parts catalog PDF

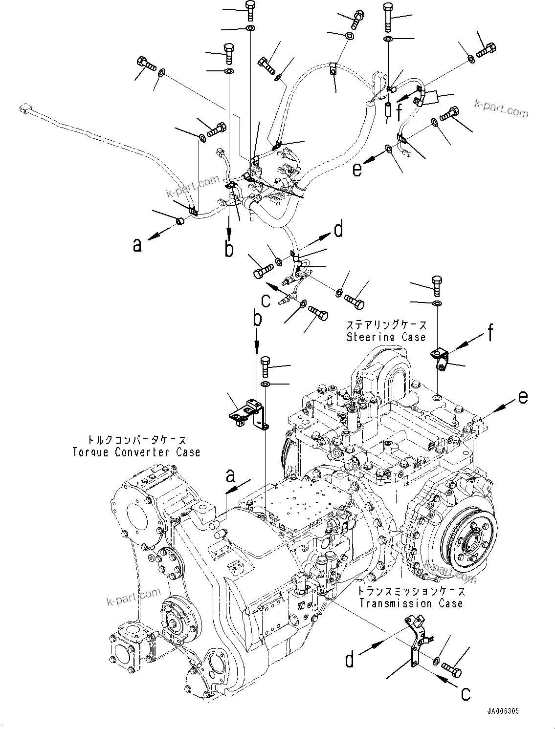
КЯЬ ? ДЪІЭ, ЬІФШЭёЮК ?ИЅ ёЧЭМЯ(#82155-) (F2300-001033A) in D65PX-16 S/N 80001-UP. Diagram image and parts list.

Model manual types and quick links