Find books across the catalog from one place.
This page is prepared as the search workspace. The search behavior itself can be connected in the next step.
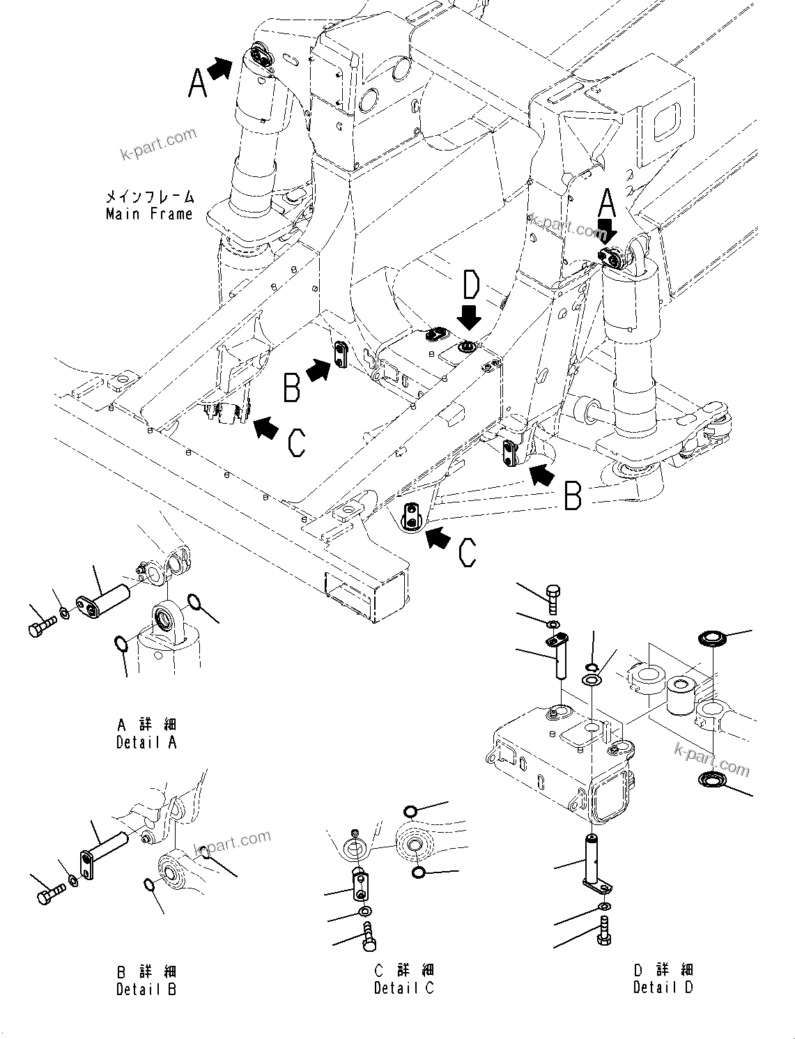
6212611203.STEERING LINKAGE, MOUNTING(#30001-) (J3630-009002) in HD785-7 S/N 37001-UP (-40 deg C Spec.). Diagram image and parts list.
Test text. Dear users! Access to the special equipment catalogs is paid. You can review the service usage rules and tariffs on the page!