Find books across the catalog from one place.
This page is prepared as the search workspace. The search behavior itself can be connected in the next step.
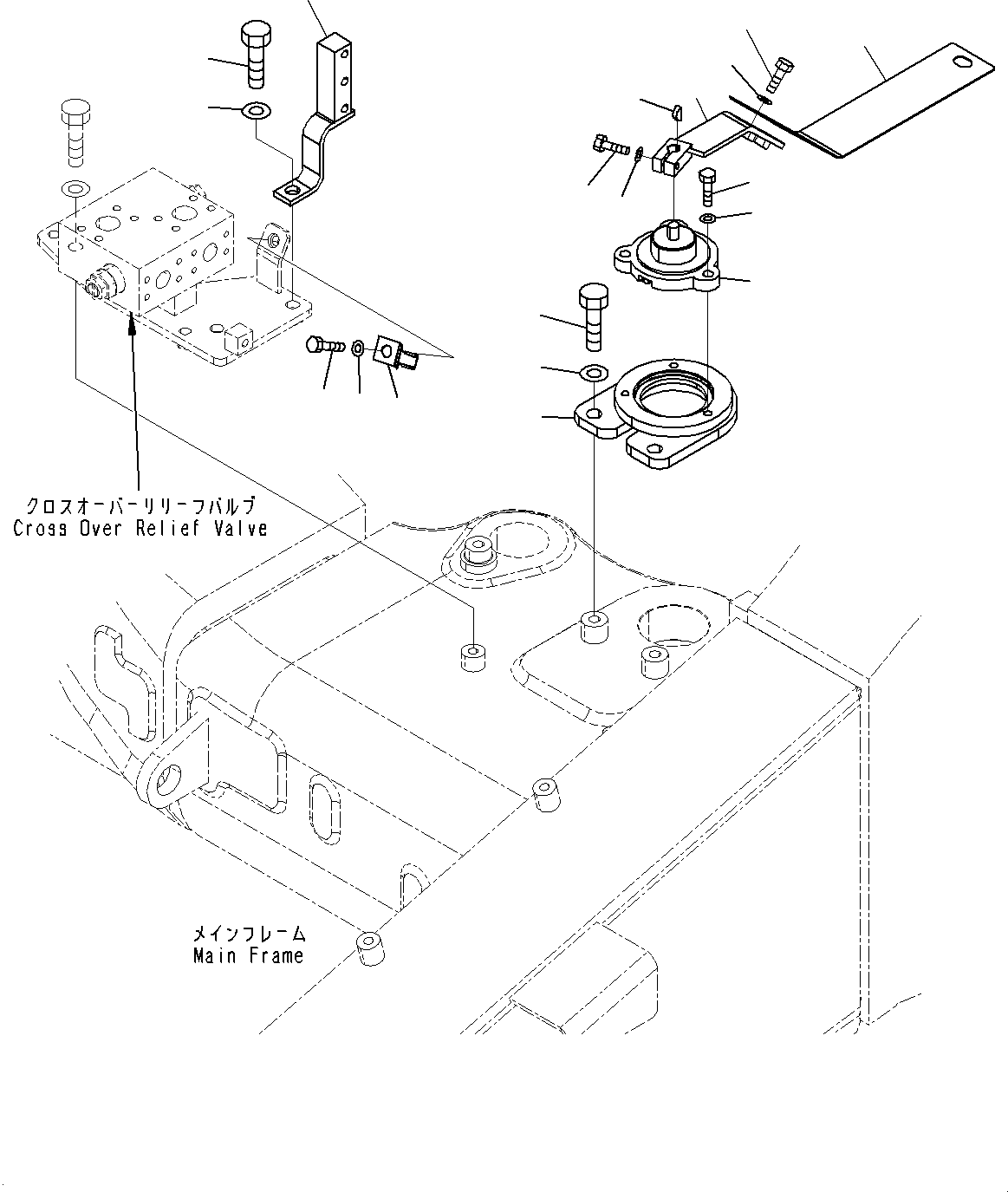
6212611203.ANTI-SKID BRAKE SYSTEM (ABS) AND AUTO SPIN REGULATOR (ASR), STEERING SENSOR(#30001-) (W3124-007006) in HD785-7 S/N 37001-UP. Diagram image and parts list.
Test text. Dear users! Access to the special equipment catalogs is paid. You can review the service usage rules and tariffs on the page!