|
|
|$0 |
561-88-700A9
|
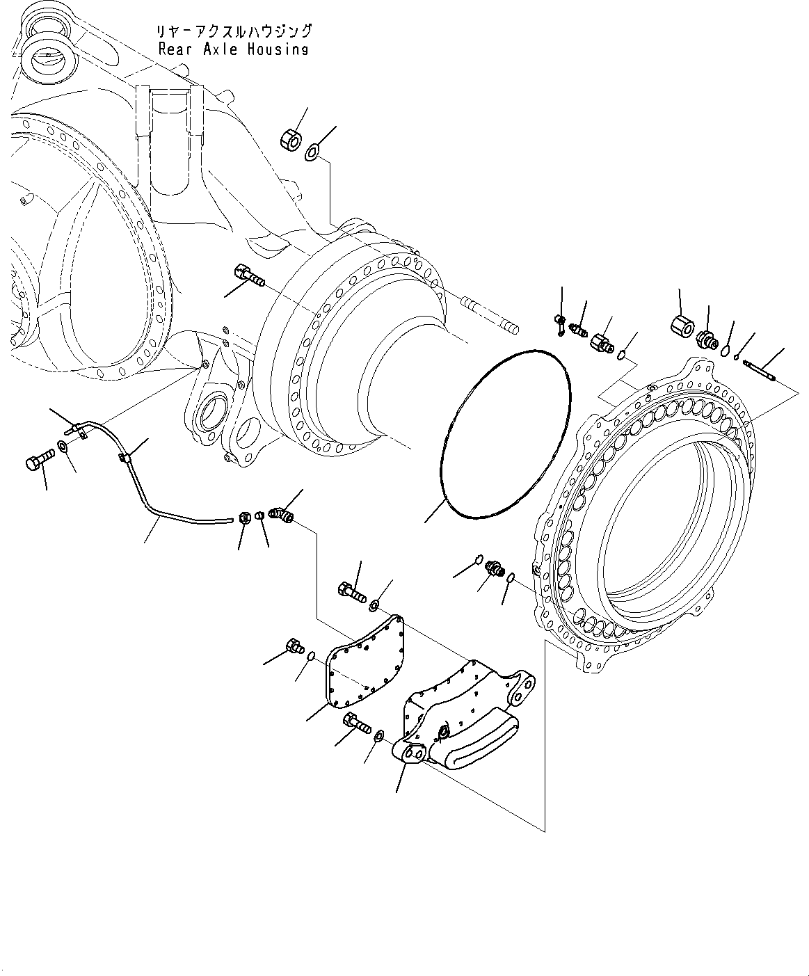
Axle Assembly, ABS,ASR |
1 |
SN: 33351-UP
|
|
|
|
|$1 |
561-88-700A8
|
Axle Assembly, ABS,ASR |
1 |
SN: 32347-33350 | SCC: A2
|
|
|
|
|$2 |
561-88-70207
|
Final Drive Assembly, ABS,ASR |
1 |
SN: 33351-UP
|
|
|
|
|$3 |
561-88-70206
|
Final Drive Assembly, ABS,ASR |
1 |
SN: 32049-33350 | SCC: A2
|
|
|
|
|$4 |
561-88-70205
|
Final Drive Assembly, ABS,ASR |
1 |
SN: 30671-32048 | SCC: B1
|
|
|
|
|$5 |
561-88-70204
|
Final Drive Assembly, ABS,ASR |
1 |
SN: 30001-30670
|
|
|
|
1 |
561-33-81850
|
O-ring, (Kit : K24) |
1 |
SN: 31634-UP
|
|
|
|
|$7 |
561-33-71850
|
O-ring |
1 |
SN: 30001-31633 | SCC: A2
|
|
|
|
2 |
566-32-11620
|
Cap |
2 |
SN: 30668-UP
|
|
|
|
|$9 |
232-32-11350
|
Cap |
2 |
SN: 30001-30667
|
|
|
|
3 |
566-32-11431
|
Bleeder |
2 |
SN: 32237-UP
|
|
|
|
|$11 |
566-32-11430
|
Bleeder |
2 |
SN: 30001-32236
|
|
|
|
4 |
569-33-72140
|
Joint |
2 |
SN: 30001-UP
|
|
|
|
5 |
07002-11223
|
O-ring, (Kit : K24) |
2 |
SN: 30001-UP
|
|
|
|
6 |
569-33-71720
|
Guide |
1 |
SN: 30001-UP
|
|
|
|
7 |
561-33-71741
|
Gauge |
1 |
SN: 30001-UP
|
|
|
|
8 |
07000-A1005
|
O-ring, (Kit : K24) |
1 |
SN: 31634-UP
|
|
|
|
|$17 |
07000-11005
|
O-ring |
1 |
SN: 30001-31633
|
|
|
|
9 |
569-33-71730
|
Cap |
1 |
SN: 30001-UP
|
|
|
|
10 |
07002-12434
|
O-ring, (Kit : K24) |
1 |
SN: 30001-UP
|
|
|
|
11 |
01643-32780
|
Washer |
32 |
SN: 30001-UP
|
|
|
|
12 |
01580-02722
|
Nut |
32 |
SN: 30001-UP
|
|
|
|
13 |
01252-71280
|
Bolt, Hexagon Socket Head |
4 |
SN: 30001-UP
|
|
|
|
14 |
569-33-81242
|
Adapter |
1 |
SN: 31041-UP
|
|
|
|
|$24 |
569-33-81241
|
Adapter |
1 |
SN: 30001-31040 | SCC: A2
|
|
|
|
15 |
01010-62080
|
Bolt |
4 |
SN: 30001-UP
|
|
|
|
16 |
01643-32060
|
Washer |
4 |
SN: 30001-UP
|
|
|
|
17 |
07002-12034
|
O-ring, (Kit : K24) |
1 |
SN: 30001-UP
|
|
|
|
18 |
07000-12018
|
O-ring, (Kit : K24) |
1 |
SN: 30001-UP
|
|
|
|
19 |
561-33-71921
|
Tank |
1 |
SN: 30001-UP
|
|
|
|
20 |
561-33-71251
|
Cover |
1 |
SN: 30001-UP
|
|
|
|
21 |
07040-11209
|
Plug |
1 |
SN: 30001-UP
|
|
|
|
22 |
07002-11223
|
O-ring, (Kit : K24) |
1 |
SN: 30001-UP
|
|
|
|
23 |
01010-61035
|
Bolt |
16 |
SN: 30001-UP
|
|
|
|
24 |
01643-31032
|
Washer |
16 |
SN: 30001-UP
|
|
|
|
25 |
07834-00617
|
Elbow |
1 |
SN: 30001-UP
|
|
|
|
26 |
07832-00614
|
Nut, Sleeve |
1 |
SN: 30001-UP
|
|
|
|
27 |
07831-00612
|
Sleeve |
1 |
SN: 30001-UP
|
|
|
|
28 |
07822-00608
|
Tube |
1 |
SN: 30001-UP
|
|
|
|
29 |
04434-51012
|
Clip |
2 |
SN: 30001-UP
|
|
|
|
30 |
01643-31232
|
Washer |
2 |
SN: 30001-UP
|
|
|
|
31 |
01010-81220
|
Bolt |
2 |
SN: 30001-UP
|
|
|
|
|$42 |
|
[A2]-The part specified in the line above can be used instead of this part. |
-1 |
SN: UP
|
|
|
|
|$43 |
|
[B1]-This shows discontinued part. The part specified in the above line is supplied instead. |
-1 |
SN: UP
|
|