|
|
? |
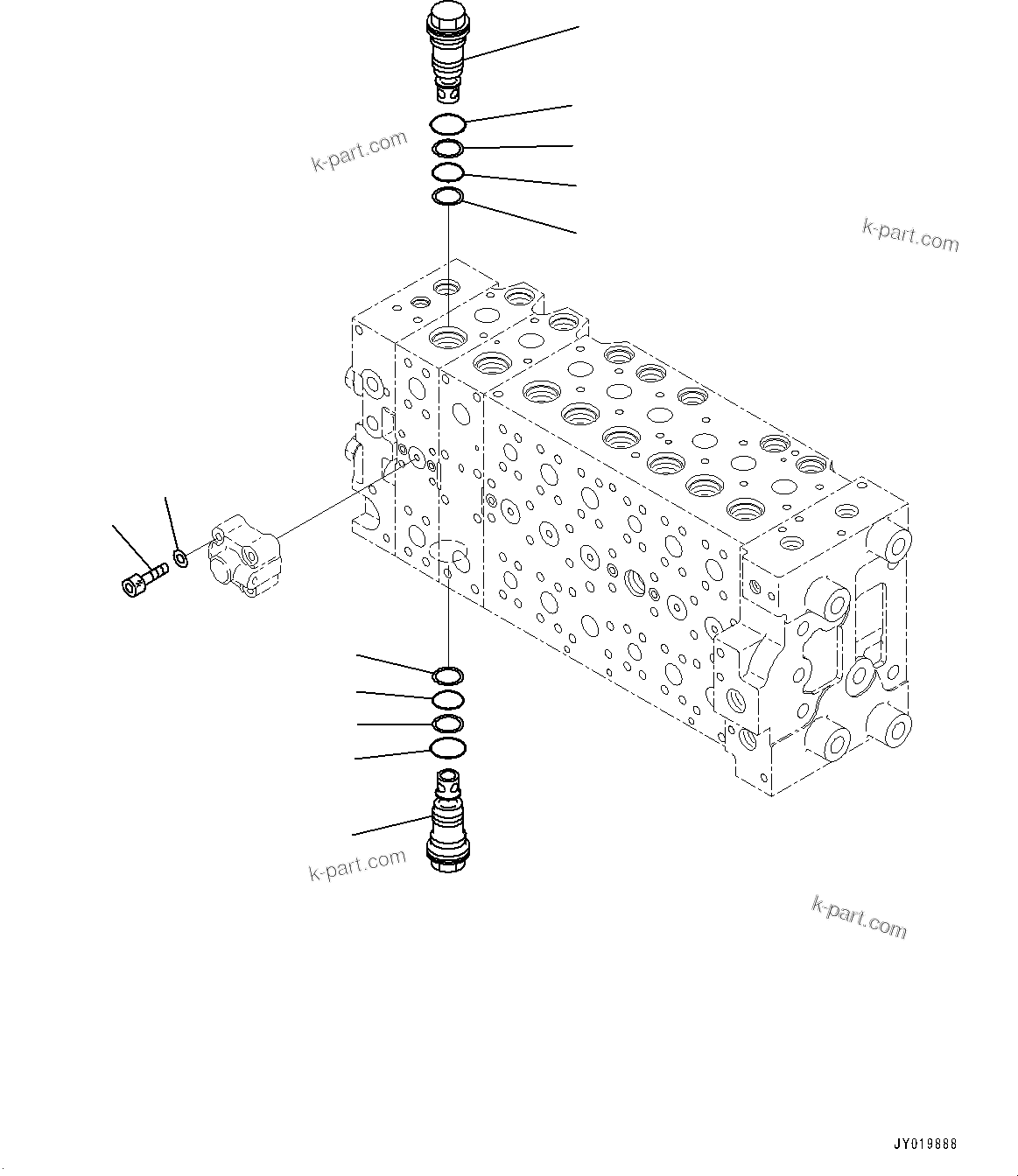
723-48-25609
|
Valve Assembly, Control |
1 |
SN: 84441-UP
|
|
|
|
? |
723-48-25608
|
Valve Assembly, Control |
1 |
SN: 83030-84440 | SCC: A2
|
|
|
|
? |
723-48-25607
|
Valve Assembly, Control |
1 |
SN: 82613-83029 | SCC: A2
|
|
|
|
? |
723-48-25606
|
Valve Assembly, Control |
1 |
SN: 81582-82612 | SCC: A2
|
|
|
|
? |
723-48-25605
|
Valve Assembly, Control |
1 |
SN: 81362-81581 | SCC: A2
|
|
|
|
? |
723-48-25604
|
Valve Assembly, Control |
1 |
SN: 80965-81361 | SCC: A2
|
|
|
|
? |
723-48-25603
|
Valve Assembly, Control |
1 |
SN: 80702-80964 | SCC: A2
|
|
|
|
? |
723-48-25601
|
Valve Assembly, Control |
1 |
SN: 80001-80222 | SCC: A2
|
|
|
|
? |
|
Body Subassembly |
1 |
SN: 82613-UP | SCC: C1
|
|
|
|
? |
|
Body Subassembly |
1 |
SN: 80001-82612 | SCC: C1
|
|
|
|
? |
723-46-45700
|
Valve Assembly |
2 |
SN: 80001-UP
|
|
|
|
? |
708-2L-23960
|
O-ring |
1 |
SN: 80001-UP
|
|
|
|
? |
723-46-41950
|
Ring, Back-up |
2 |
SN: 80001-UP
|
|
|
|
? |
07002-63634
|
O-ring |
1 |
SN: 80001-UP
|
|
|
|
? |
01252-60845
|
Bolt, Hexagon Socket Head |
4 |
SN: 80001-UP
|
|
|
|
? |
01643-50823
|
Washer |
4 |
SN: 80001-UP
|
|
|
|
? |
|
[A2]-The part specified in the line above can be used instead of this part. |
-1 |
SN: UP
|
|
|
|
? |
|
[C1]-This part cannot be supplied as an individual part. It is supplied as an assembly. |
-1 |
SN: UP
|
|