Find books across the catalog from one place.
This page is prepared as the search workspace. The search behavior itself can be connected in the next step.
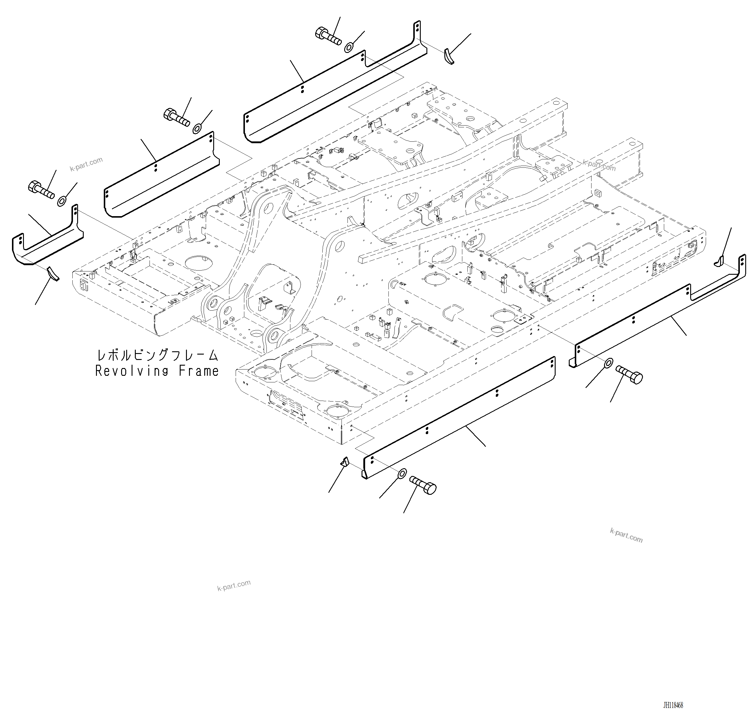
6212611203.J1410-001001 REVOLVING FRAME DECK GUARD (J1410-001001) in PC220LCi-12 S/N A15001. Diagram image and parts list.
Test text. Dear users! Access to the special equipment catalogs is paid. You can review the service usage rules and tariffs on the page!