Find books across the catalog from one place.
This page is prepared as the search workspace. The search behavior itself can be connected in the next step.
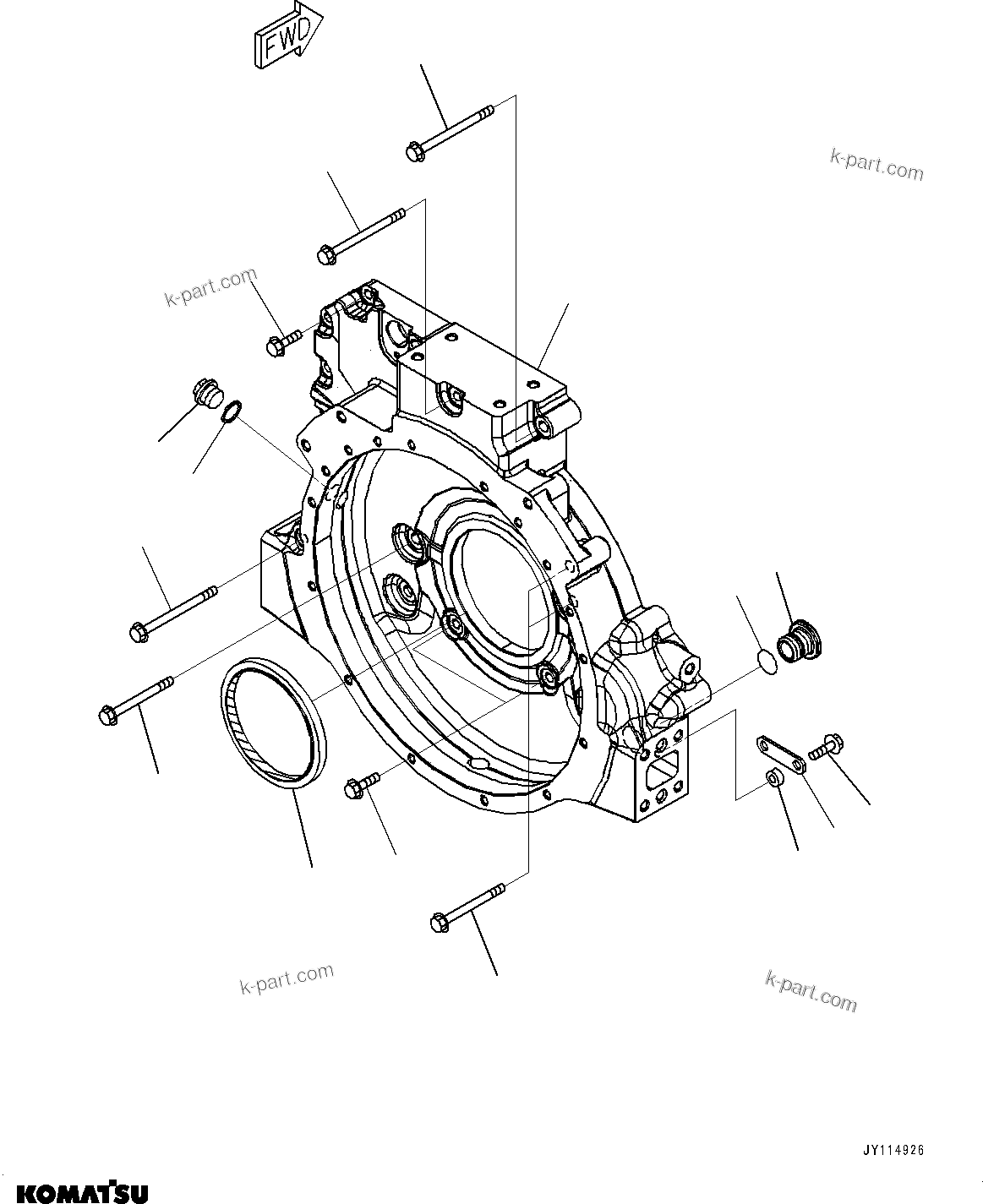
6212611203.FLYWHEEL HOUSING (A2219-001001) in SAA4D107E-5 S/N 26799788-UP (For PC220LC-12). Diagram image and parts list.
Test text. Dear users! Access to the special equipment catalogs is paid. You can review the service usage rules and tariffs on the page!