|
|
? |
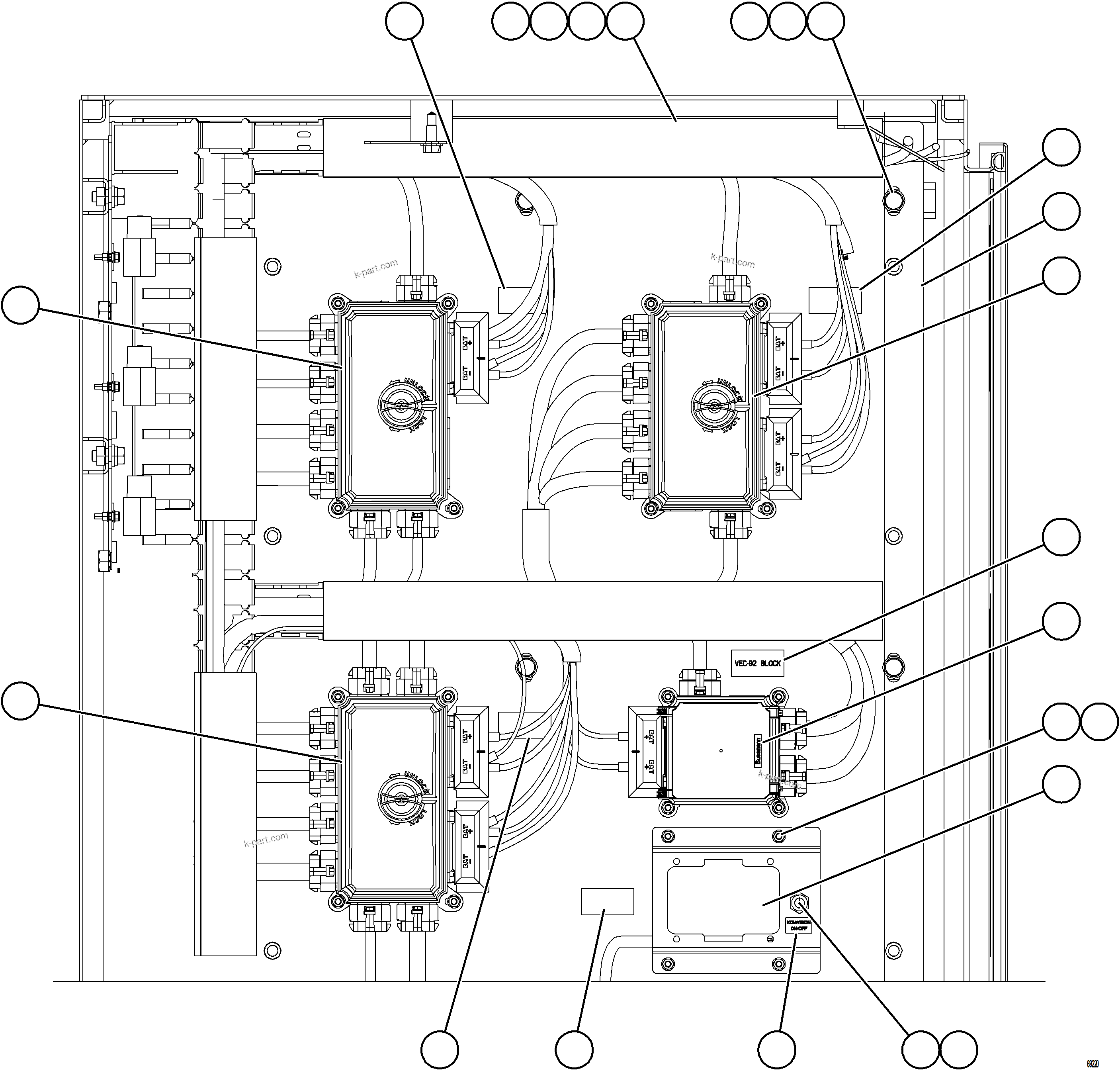
58E-06-18323
|
PLATE, MOUNTING |
1 |
|
|
|
|
? |
58E-06-18481
|
COVER, WIRE |
2 |
|
|
|
|
? |
58E-06-18391
|
DUCT, WIRE |
2 |
|
|
|
|
? |
58E-06-10360
|
SCREW, FLANGE - #10 - 24NC X 3/4" |
13 |
|
|
|
|
? |
58E-06-10350
|
NUT, RIBBED - #10 - 24NC |
13 |
|
|
|
|
? |
MM0605
|
CAPSCREW - M10 X 1.50 X 25 |
9 |
|
|
|
|
? |
MM0471
|
LOCKWASHER - M10 |
9 |
|
|
|
|
? |
MM0713
|
FLAT WASHER, HARDENED - M10 |
9 |
|
|
|
|
? |
WB4006
|
NAME PLATE - VEC-90 BLOCK |
1 |
|
|
|
|
? |
WB4007
|
NAME PLATE - VEC-91 BLOCK |
1 |
|
|
|
|
? |
WB4005
|
NAME PLATE - VEC-89 BLOCK |
1 |
|
|
|
|
? |
58E-06-20790
|
NAME PLATE - VEC-92 BLOCK |
1 |
|
|
|
|
? |
WB4008
|
NAME PLATE - RTMR1 BLOCK |
1 |
|
|
|
|
? |
58E-06-02043
|
VEHICLE ELECTRICAL CENTER, VEC-89 (SEE FIG 68029) |
1 |
|
68029 |
|
|
? |
58E-06-20051
|
VEHICLE ELECTRICAL CENTER, VEC-90 (SEE FIG 43541) |
1 |
|
43541 |
|
|
? |
58E-06-20062
|
VEHICLE ELECTRICAL CENTER, VEC-91 (SEE FIG 69807) |
1 |
|
69807 |
|
|
? |
58E-06-09621
|
VEHICLE ELECTRICAL CENTER, VEC-92 (SEE FIG 69138) |
1 |
|
69138 |
|
|
? |
58E-06-12520
|
BRACKET |
1 |
|
|
|
|
? |
58E-06-07860
|
NAME PLATE - KOMVISION SWITCH |
1 |
|
|
|
|
? |
1258403H1
|
SWITCH, TOGGLE |
1 |
|
|
|
|
? |
MM0459
|
FLAT WASHER - M6 |
20 |
|
|
|
|
? |
MM0176
|
NUT - M6 X 1.00 |
20 |
|
|
|
|
? |
PB3324
|
BOOT, SWITCH |
1 |
|
|