Search in all models by partnumber
Search current book

Komatsu PC3000-6 S/N 46243 parts catalog PDF

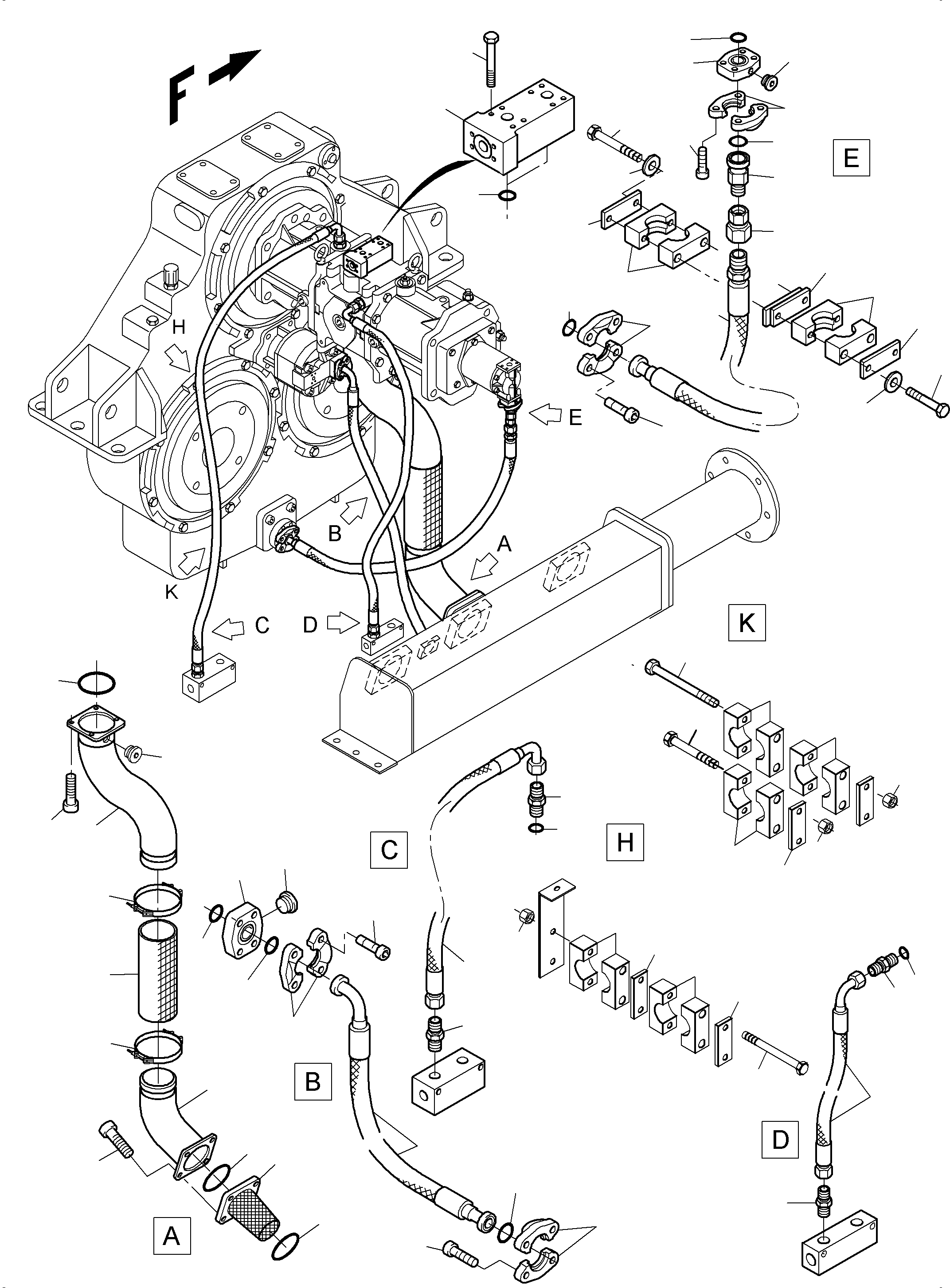
SUCTION LINES (485-1811e) in PC3000-6 S/N 46243. Diagram image and parts list.

Model manual types and quick links