Find books across the catalog from one place.
This page is prepared as the search workspace. The search behavior itself can be connected in the next step.
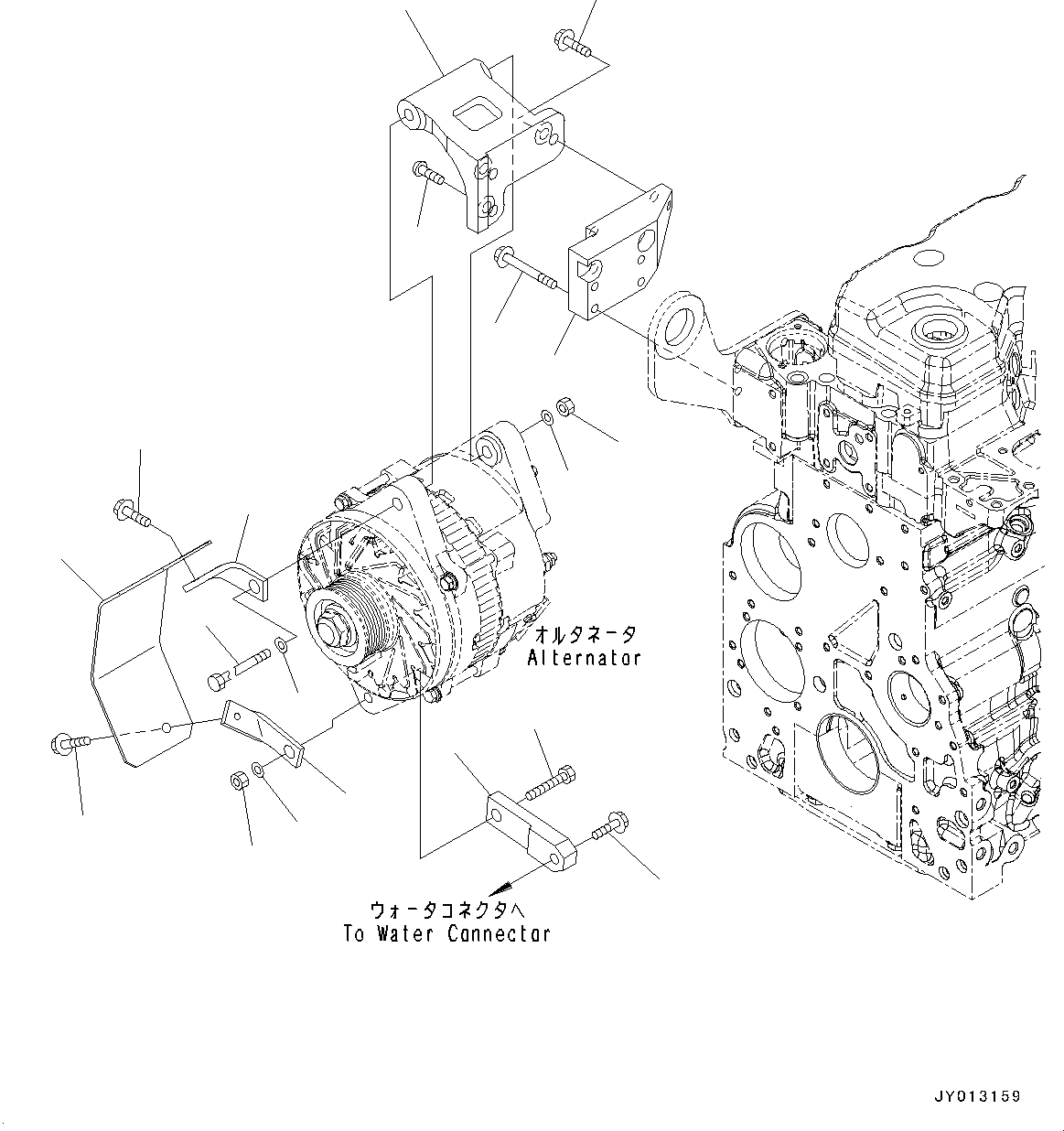
6212611203.ALTERNATOR, MOUNTING (#26519740-) (A6010-003002) in SAA6D107E-1H S/N 26506237-UP (For WA250-6/WA250PZ-6). Diagram image and parts list.
Test text. Dear users! Access to the special equipment catalogs is paid. You can review the service usage rules and tariffs on the page!