Find books across the catalog from one place.
This page is prepared as the search workspace. The search behavior itself can be connected in the next step.
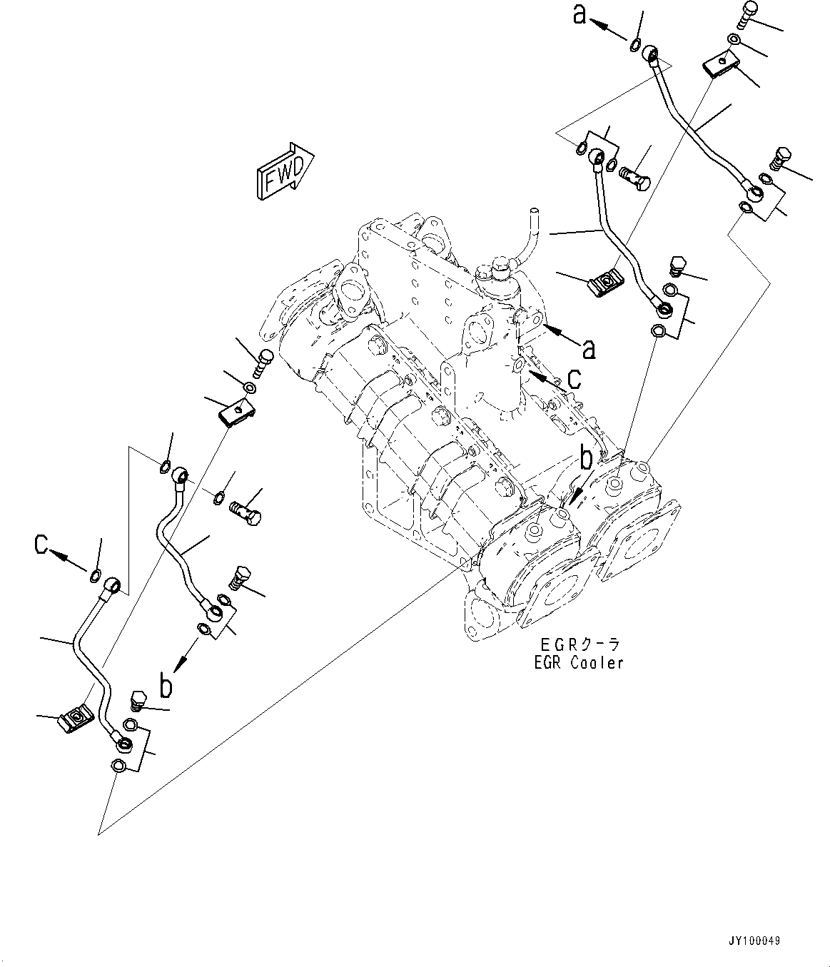
6212611203.EXHAUST GAS RE-CIRCULATION (EGR) COOLER, AIR VENT (#710161-) (A1550-001005) in SAA6D170E-7D S/N 710161-UP (For PC1250-11/PC1250LC-11). Diagram image and parts list.
Test text. Dear users! Access to the special equipment catalogs is paid. You can review the service usage rules and tariffs on the page!