Find books across the catalog from one place.
This page is prepared as the search workspace. The search behavior itself can be connected in the next step.
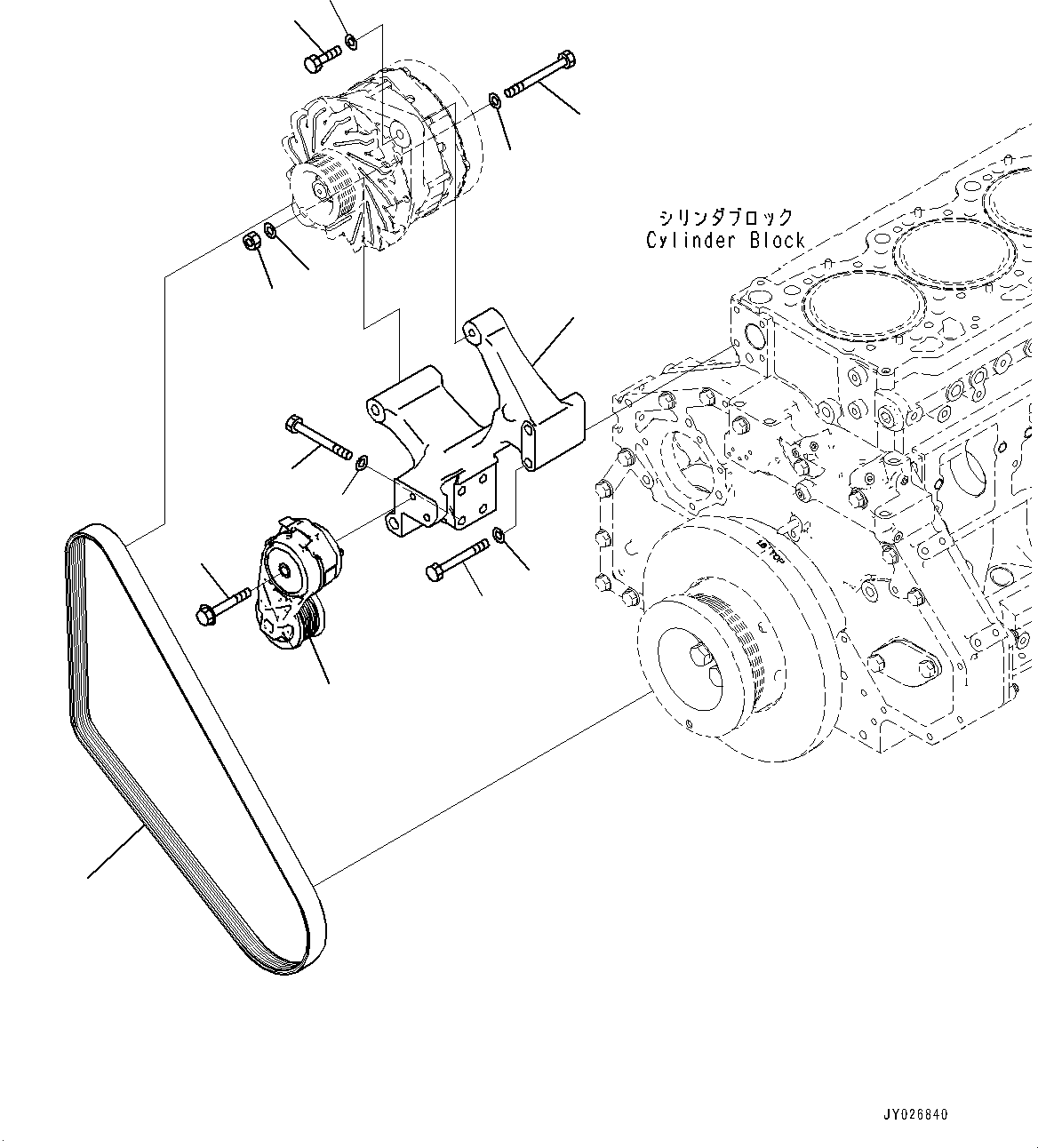
6212611203.ALTERNATOR, RELATED PARTS (#860032-) (A6010-002002) in SAA6D125E-7 S/N 860032-UP (For HM300-5E0). Diagram image and parts list.
Test text. Dear users! Access to the special equipment catalogs is paid. You can review the service usage rules and tariffs on the page!