Find books across the catalog from one place.
This page is prepared as the search workspace. The search behavior itself can be connected in the next step.
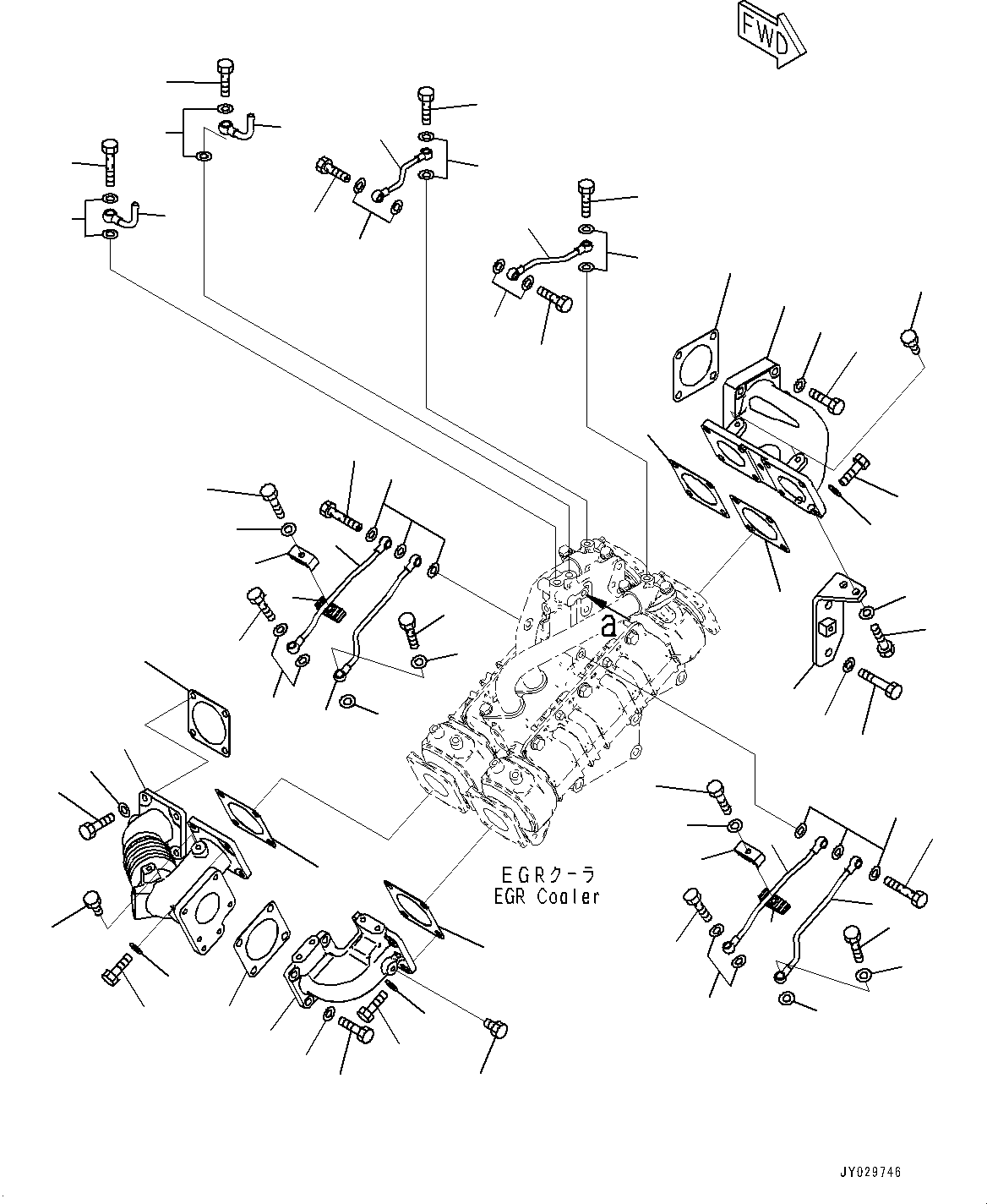
6212611203.EXHAUST GAS RE-CIRCULATION (EGR) VALVE, EGR COOLER PIPING AND AIR VENT (#830235-) (A1550-001003) in SAA6D140E-7 S/N 830235-UP (For WA500-8E0). Diagram image and parts list.
Test text. Dear users! Access to the special equipment catalogs is paid. You can review the service usage rules and tariffs on the page!