Find books across the catalog from one place.
This page is prepared as the search workspace. The search behavior itself can be connected in the next step.
6212611203.
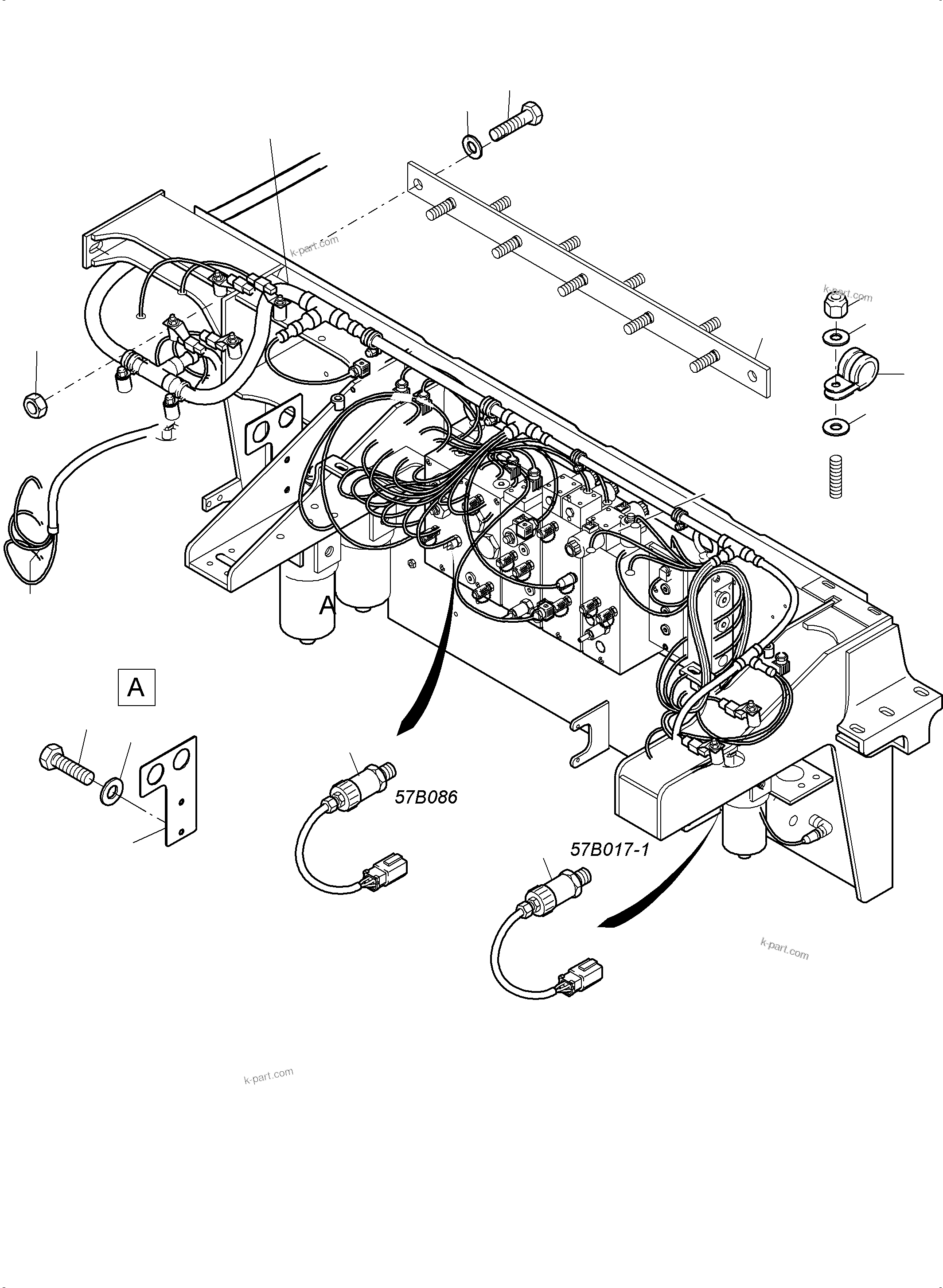
CABLES - CONTROL- AND FILTER PLATE (359-2283) in PC4000-6 S/N 08248. Diagram image and parts list.
Test text. Dear users! Access to the special equipment catalogs is paid. You can review the service usage rules and tariffs on the page!