|
|
01 |
790 458 73
|
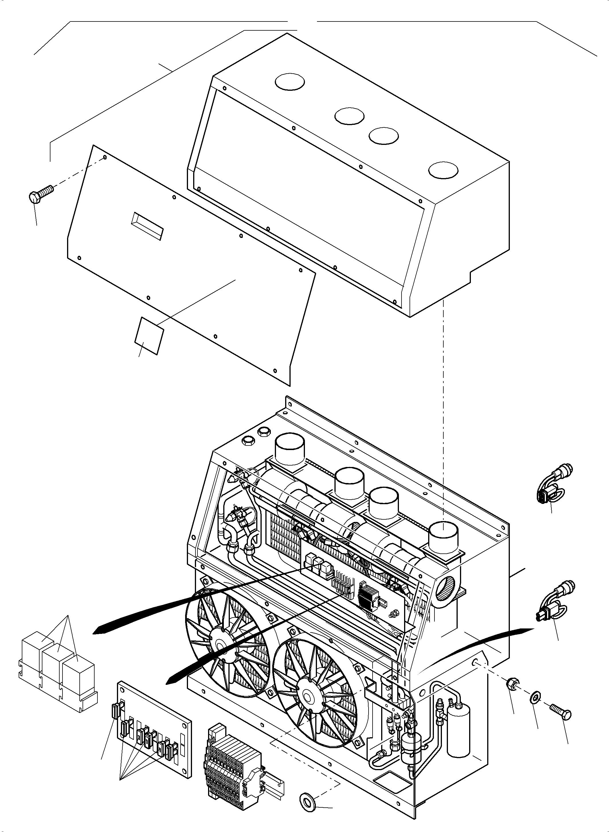
Air conditioning unit |
1 |
|
|
|
|
02 |
|
Evaporator unit |
1 |
|
|
|
|
03 |
|
Evaporator base |
1 |
|
|
|
|
04 |
|
Insulation assy. |
1 |
|
|
|
|
05 |
|
Ventilator Radial assy., incl. Pos. 34 |
1 |
|
|
|
|
06 |
|
Pipe kit |
1 |
|
|
|
|
07 |
|
Condenser unit |
1 |
|
|
|
|
08 |
797 805 73
|
Seal 7/16" |
6 |
|
|
|
|
09 |
797 807 73
|
Pressure Switch |
1 |
|
|
|
|
10 |
797 808 73
|
Pressure Switch |
1 |
|
|
|
|
11 |
|
Aggregate cabling |
1 |
|
|
|
|
12 |
765 159 73
|
Relay base |
3 |
|
|
|
|
13 |
795 829 73
|
Relay 24V 20A |
3 |
|
|
|
|
14 |
765 702 73
|
Fuse 10A |
1 |
|
|
|
|
15 |
765 306 73
|
Fuse 15A |
5 |
|
|
|
|
16 |
|
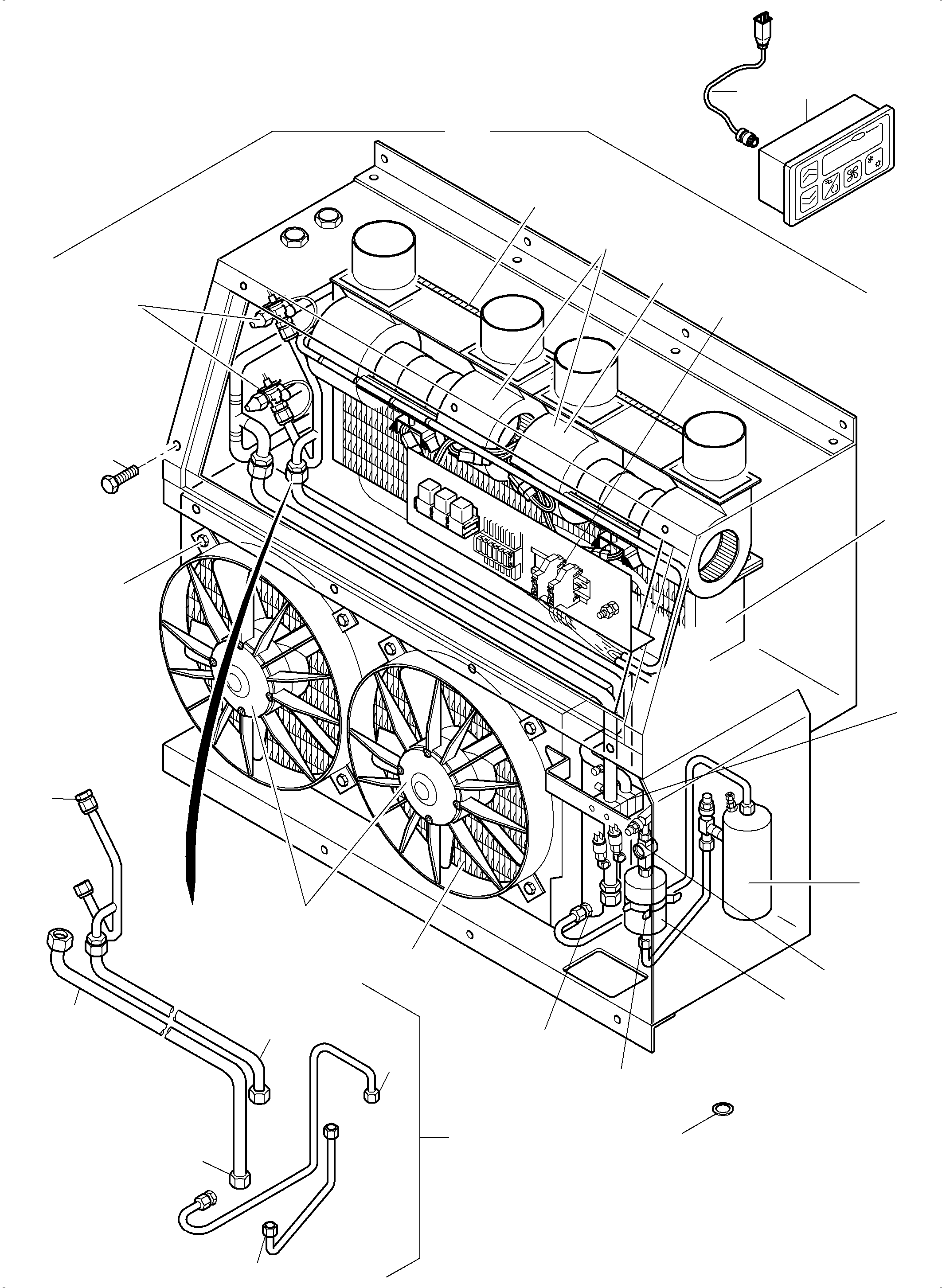
Evaporator |
1 |
|
|
|
|
17 |
793 251 73
|
Expansion valve |
2 |
|
|
|
|
18 |
798 265 73
|
Socket 7/8-3/4 |
2 |
|
|
|
|
19 |
797 802 73
|
Seal 3/4" |
7 |
|
|
|
|
20 |
793 253 73
|
Pressure balance line |
2 |
|
|
|
|
21 |
793 252 73
|
Nozzle |
2 |
|
|
|
|
22 |
797 803 73
|
Seal 5/8" |
2 |
|
|
|
|
24 |
|
Bolt |
4 |
|
|
|
|
25 |
515 331 98
|
Washer |
4 |
|
|
|
|
26 |
320 068 99
|
Nut |
4 |
|
|
|
|
27 |
|
Washer |
1 |
|
|
|
|
28 |
|
Clamp |
2 |
|
|
|
|
29 |
|
Cover plate |
2 |
|
|
|
|
30 |
343 643 99
|
Lock washer |
2 |
|
|
|
|
31 |
510 506 98
|
Bolt |
2 |
|
|
|
|
32 |
|
Bolt |
11 |
|
|
|
|
33 |
|
Sign |
1 |
|
|
|
|
34 |
790 127 73
|
Double-radial-blower, brushless |
2 |
|
|
|
|
40 |
795 828 73
|
Liquid line, drier - T-distributor |
1 |
|
|
|
|
41 |
795 825 73
|
Suction line, T-collector - compressor |
1 |
|
|
|
|
42 |
795 827 73
|
Liquid line, condenser - collector |
1 |
|
|
|
|
43 |
795 826 73
|
Liquid line, collector - drier |
1 |
|
|
|
|
44 |
797 645 73
|
Liquid line, T-distributor-exp.Valves |
1 |
|
|
|
|
45 |
|
Union Nut |
1 |
|
|
|
|
46 |
|
Seal washer |
1 |
|
|
|
|
50 |
795 873 73
|
Condenser |
1 |
|
|
|
|
51 |
794 432 73
|
Element drier |
1 |
|
|
|
|
52 |
794 706 73
|
Inspection glass |
1 |
|
|
|
|
53 |
795 824 73
|
Check valve |
1 |
|
|
|
|
54 |
794 433 73
|
Collector bottle |
1 |
|
|
|
|
55 |
796 581 73
|
Pressure control valve 30bar |
-2 |
|
|
|
|
56 |
765 320 73
|
Clamp |
1 |
|
|
|
|
57 |
797 804 73
|
Seal 7/8" |
4 |
|
|
|
|
58 |
790 102 73
|
Ventilator |
2 |
|
|
|
|
59 |
507 673 98
|
Bolt |
8 |
|
|
|
|
60 |
|
Lock washer |
8 |
|
|
|
|
61 |
|
Union Nut |
1 |
|
|
|
|
101 |
790 465 73
|
Control section, Diesel shovel |
-2 |
|
|
|
|
102 |
790 466 73
|
Control section, Electro shovel |
-2 |
|
|
|
|
103 |
790 459 73
|
Harness control section |
-2 |
|
|
|
|
|$$56 |
799 882 73
|
Dichtsatz Air Conditioning assy. |
1 |
|
|