Search in all models by partnumber
Search current book

Komatsu PC5500-6 S/N 15166 parts catalog PDF

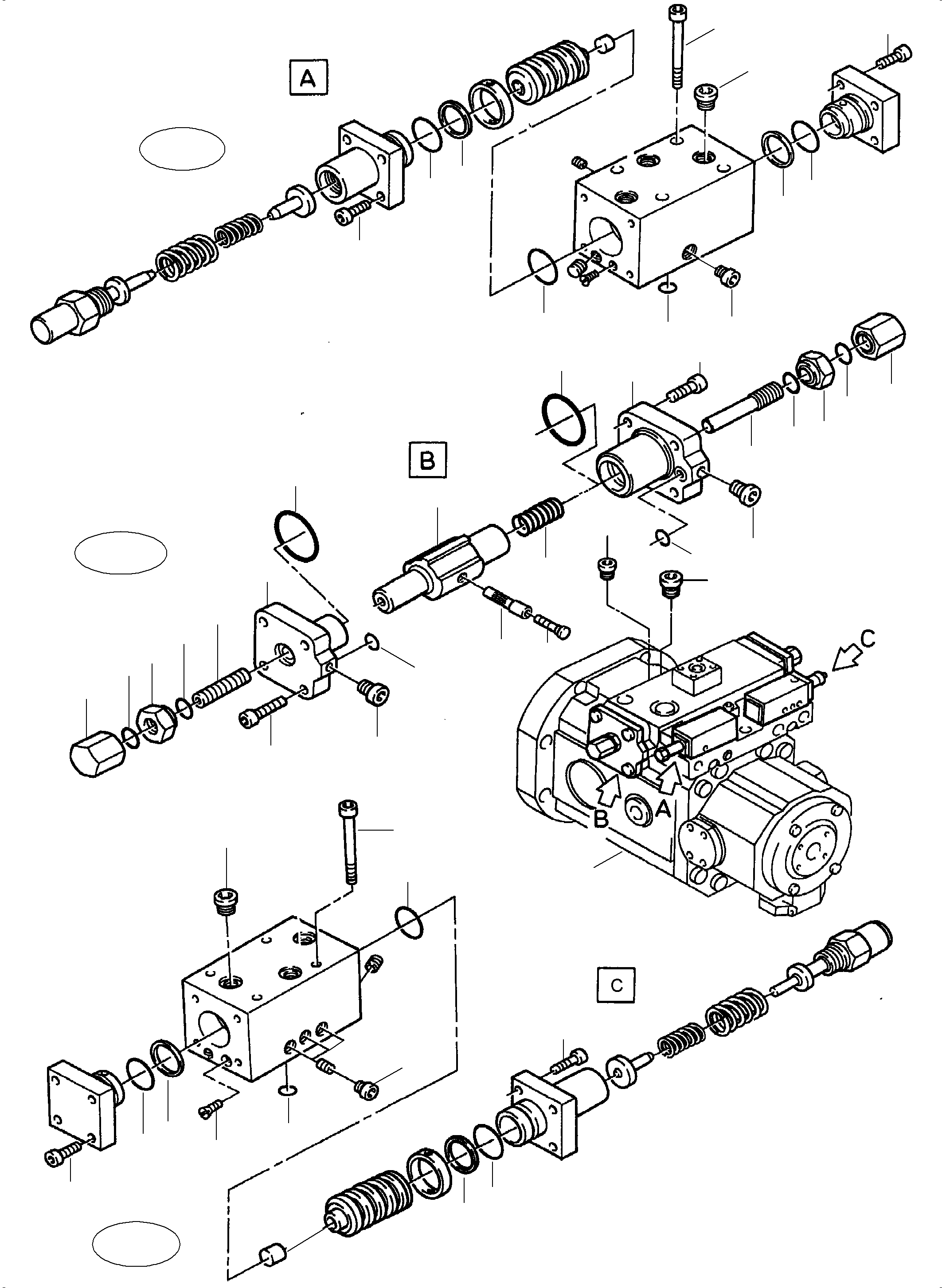
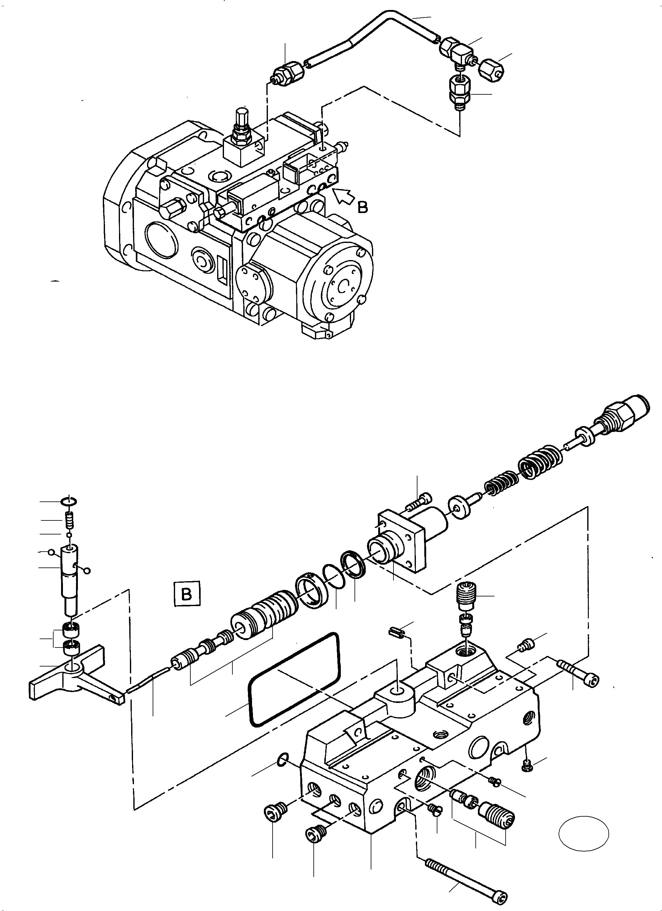
HYDRAULIC PUMP (991-1301) in PC5500-6 S/N 15166. Diagram image and parts list.

Model manual types and quick links