Search in all models by partnumber
Search current book

Komatsu PC5500-6 S/N 15166 parts catalog PDF

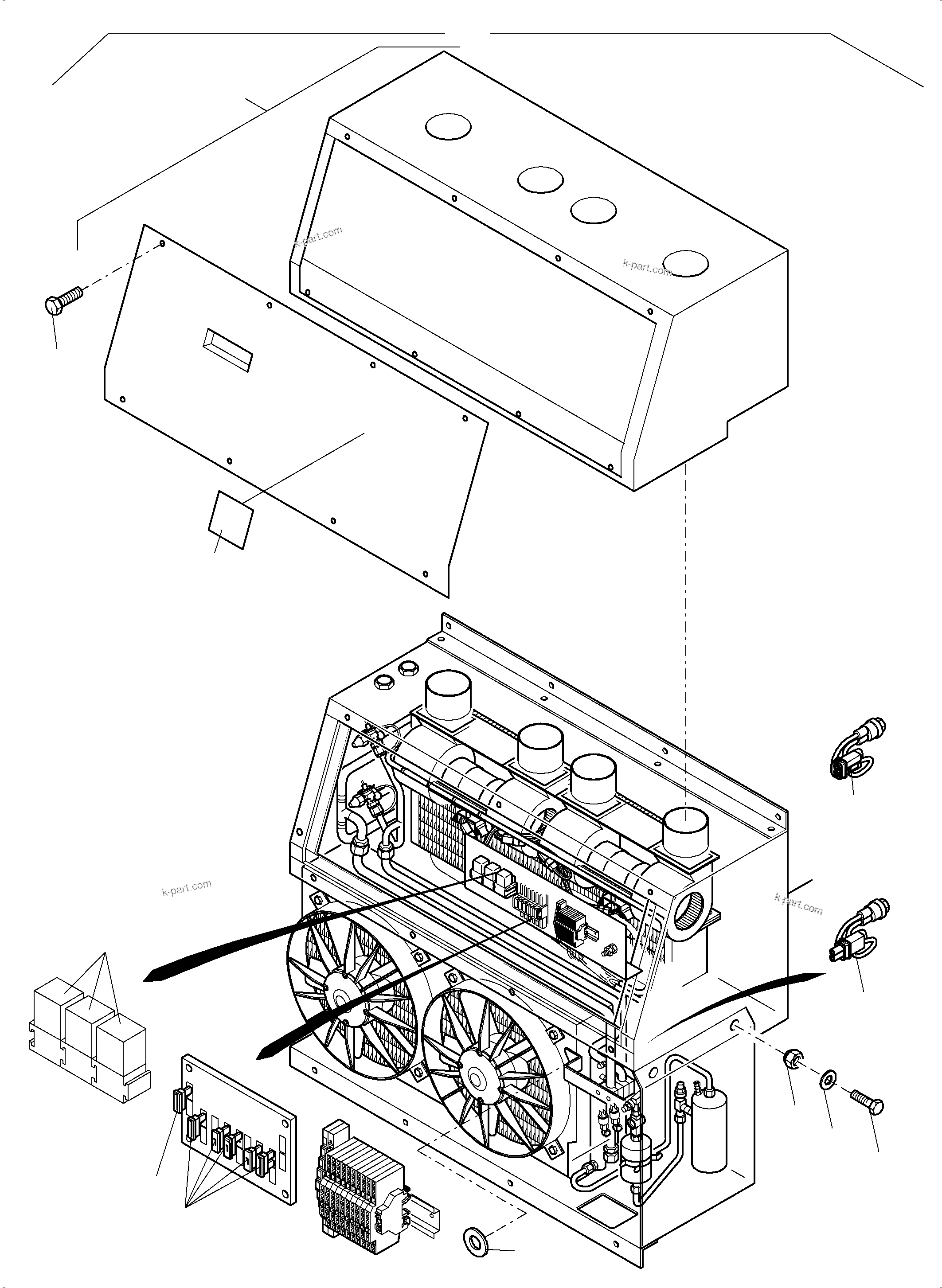
AIR CONDITIONING UNIT (991-1362a) in PC5500-6 S/N 15166. Diagram image and parts list.

Model manual types and quick links