Search in all models by partnumber
Search current book

Komatsu PC3000-6 S/N 46252 parts catalog PDF

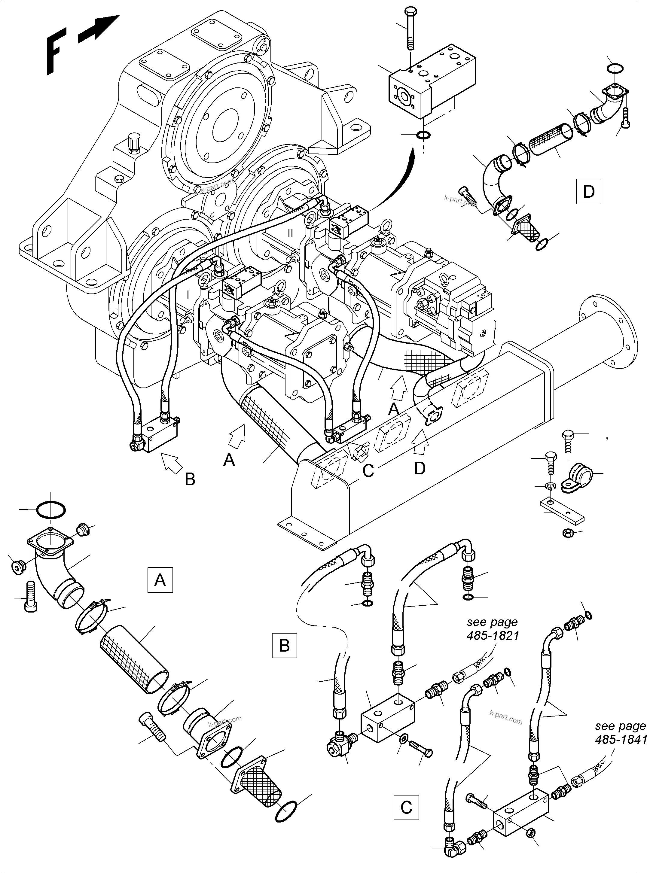
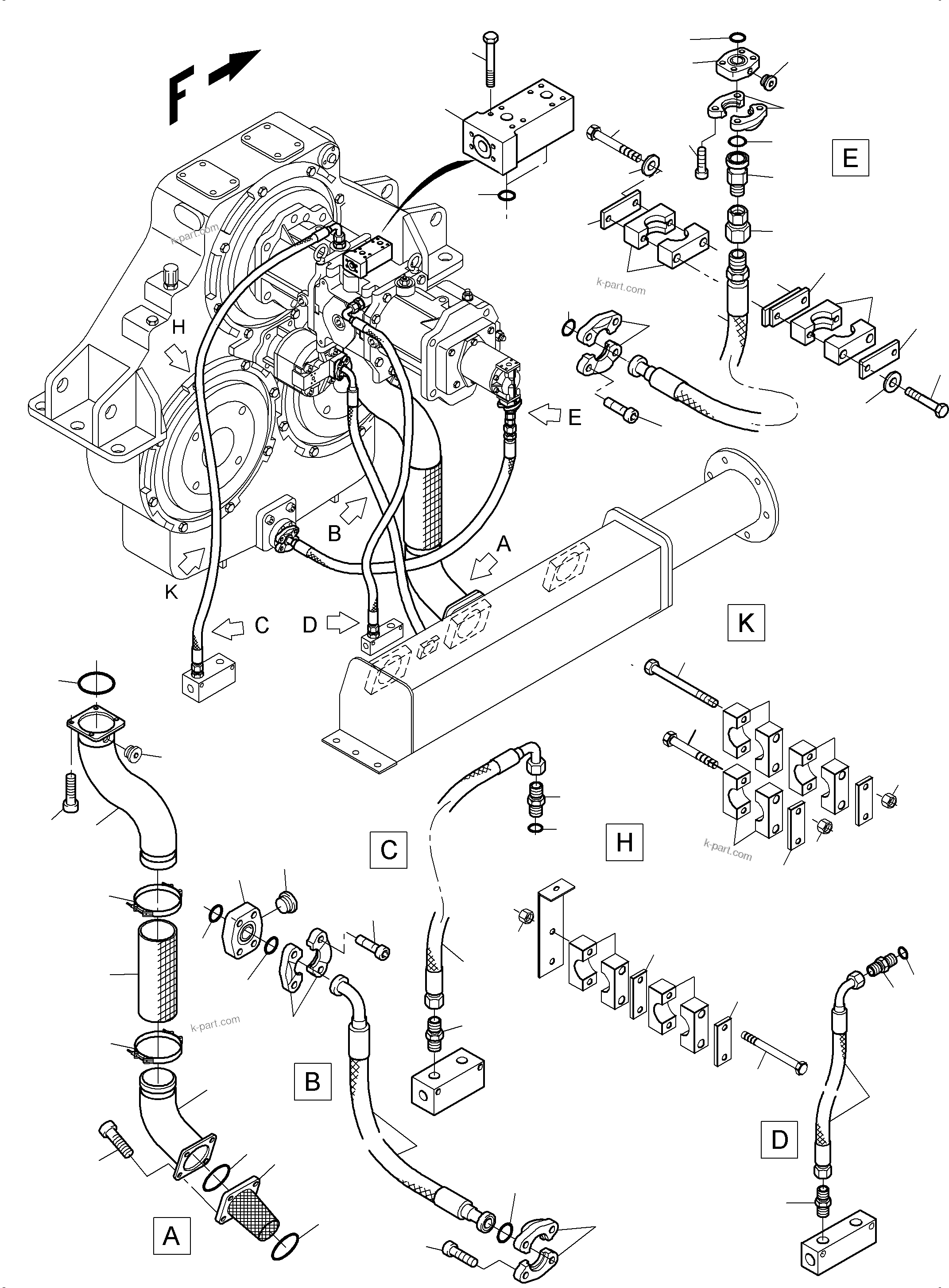
SUCTION LINES (485-1811e) in PC3000-6 S/N 46252. Diagram image and parts list.

Model manual types and quick links