|
|
? |
LA0598
|
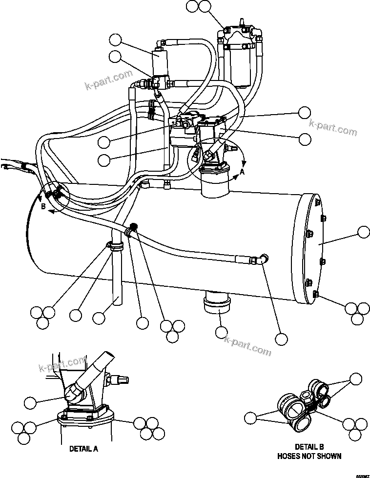
VENT VALVE ASSEMBLY (SEE INDEX) |
2 |
|
55522 |
|
|
? |
WB0258
|
FITTING, 37 DEG FLARE, 90 DEG ELBOW |
1 |
|
|
|
|
? |
C1601
|
CAPSCREW - 3/8" - 16NC X 3/4" |
4 |
|
|
|
|
? |
WA4726
|
FLAT WASHER - 3/8" |
4 |
|
|
|
|
? |
WB0372
|
FITTING, 37 DEG FLARE, 90 DEG ELBOW |
1 |
|
|
|
|
? |
HA6734
|
HOSE |
1 |
|
|
|
|
? |
HA6198
|
HOSE |
1 |
|
|
|
|
? |
EG8967
|
COVER |
1 |
|
|
|
|
? |
MM0618
|
CAPSCREW - M12 X 1.75 X 30 |
6 |
|
|
|
|
? |
MM0472
|
LOCKWASHER - M12 |
6 |
|
|
|
|
? |
MM0705
|
FLAT WASHER - M12 |
6 |
|
|
|
|
? |
WB0265
|
FITTING, 37 DEG FLARE, 90 DEG ELBOW |
1 |
|
|
|
|
? |
VL4063
|
FITTING, PIPE CAP |
1 |
|
|
|
|
? |
WB1304
|
CLAMP, CUSHION - 9/16" |
4 |
|
|
|
|
? |
WB3092
|
CLAMP, CUSHION - 7/8" |
4 |
|
|
|
|
? |
MM0713
|
FLAT WASHER - M10 |
6 |
|
|
|
|
? |
MM0471
|
LOCKWASHER - M10 |
4 |
|
|
|
|
? |
MM0178
|
NUT - M10 X 1.50 |
6 |
|
|
|
|
? |
TN4043
|
HOSE |
1 |
|
|
|
|
? |
WB1305
|
CLAMP, CUSHION - 1 1/2" |
1 |
|
|
|
|
? |
EC2790
|
PLATE, MOUNTING |
1 |
|
|
|
|
? |
MM0582
|
CAPSCREW - M6 X 1.00 X 20 |
4 |
|
|
|
|
? |
MM0469
|
LOCKWASHER - M6 |
4 |
|
|
|
|
? |
MM0459
|
FLAT WASHER - M6 |
4 |
|
|
|
|
? |
TD1809
|
CAPSCREW - 1/4" - 20NC X 3/4" |
4 |
|
|
|
|
? |
DC3584
|
LOCKWASHER - 1/4" |
4 |
|
|
|
|
? |
SP8417
|
FLAT WASHER - 1/4" |
4 |
|
|
|
|
? |
PC2372
|
LUBE PUMP ASSEMBLY (SEE FIG 55936) |
1 |
|
55936 |