Find books across the catalog from one place.
This page is prepared as the search workspace. The search behavior itself can be connected in the next step.
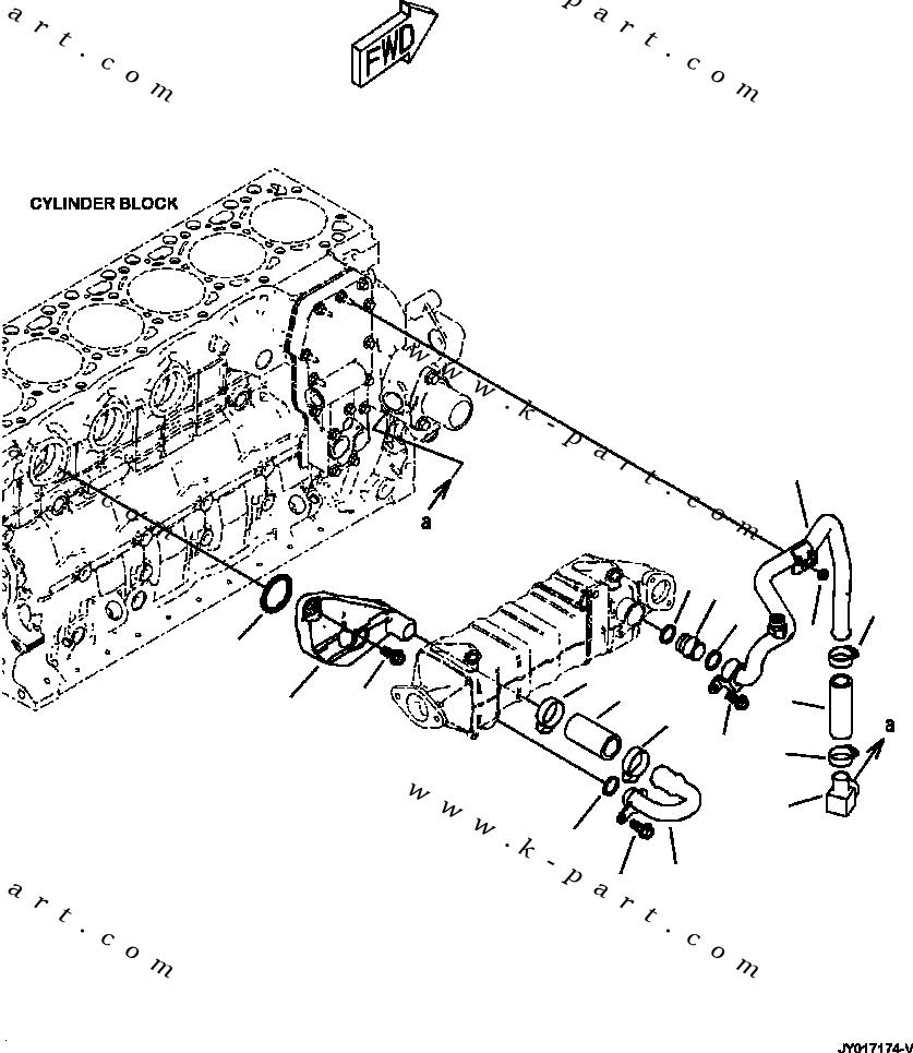
6212611203.AER10-001001 EXHAUST GAS RECIRCULATION (EGR) COOLER WATER PIPING (AER10-001001) in PC240LL-10 SN A20601-UP. Diagram image and parts list.
Test text. Dear users! Access to the special equipment catalogs is paid. You can review the service usage rules and tariffs on the page!