Find books across the catalog from one place.
This page is prepared as the search workspace. The search behavior itself can be connected in the next step.
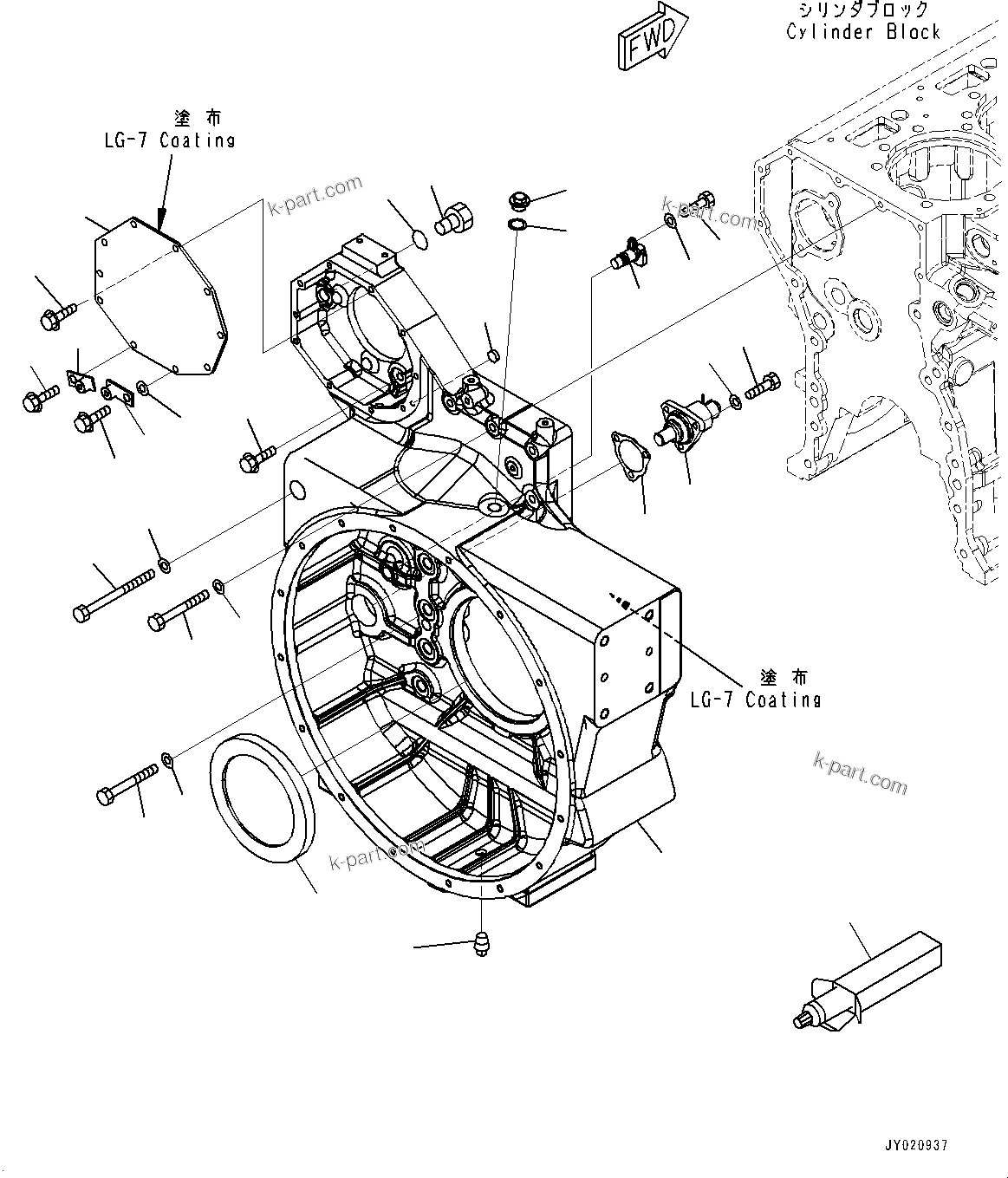
6212611203.FLYWHEEL HOUSING, (#612440-) (A2210-001001A) in SAA6D170E-5EE S/N 610984-UP (For D375A-6R). Diagram image and parts list.
Test text. Dear users! Access to the special equipment catalogs is paid. You can review the service usage rules and tariffs on the page!