Find books across the catalog from one place.
This page is prepared as the search workspace. The search behavior itself can be connected in the next step.
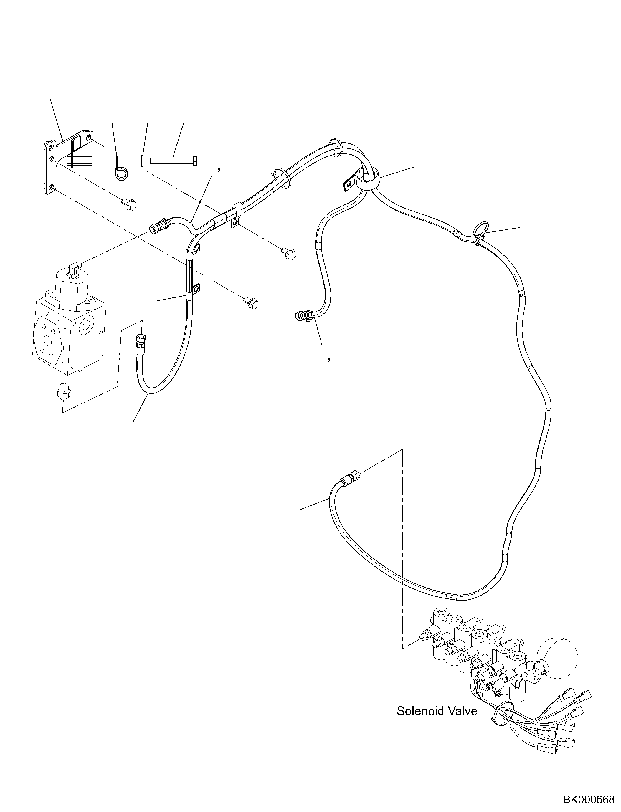
6212611203.SOLENOID VALVE, WITH 2-ADDITIONAL ACTUATOR PIPING, TOOL CONTROL (#K70363-) (H1831-002001) in PC240NLC-11 S/N K70001-UP. Diagram image and parts list.
Test text. Dear users! Access to the special equipment catalogs is paid. You can review the service usage rules and tariffs on the page!