Find books across the catalog from one place.
This page is prepared as the search workspace. The search behavior itself can be connected in the next step.
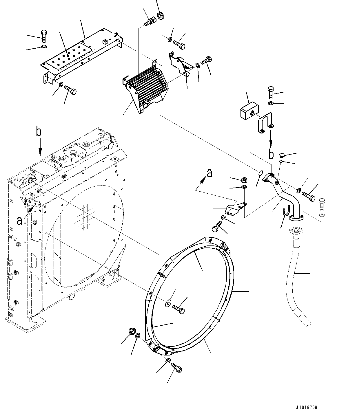
6212611203.COOLING SYSTEM, 2-ADDITIONAL ACTUATOR PIPING, ACCUMULATOR, AUTO AIR CONDITIONER, FAN GUARD, STEP AND SHROUD (C0100-002007) in HB365LC-3E0 S/N K75001-UP. Diagram image and parts list.
Test text. Dear users! Access to the special equipment catalogs is paid. You can review the service usage rules and tariffs on the page!