Find books across the catalog from one place.
This page is prepared as the search workspace. The search behavior itself can be connected in the next step.
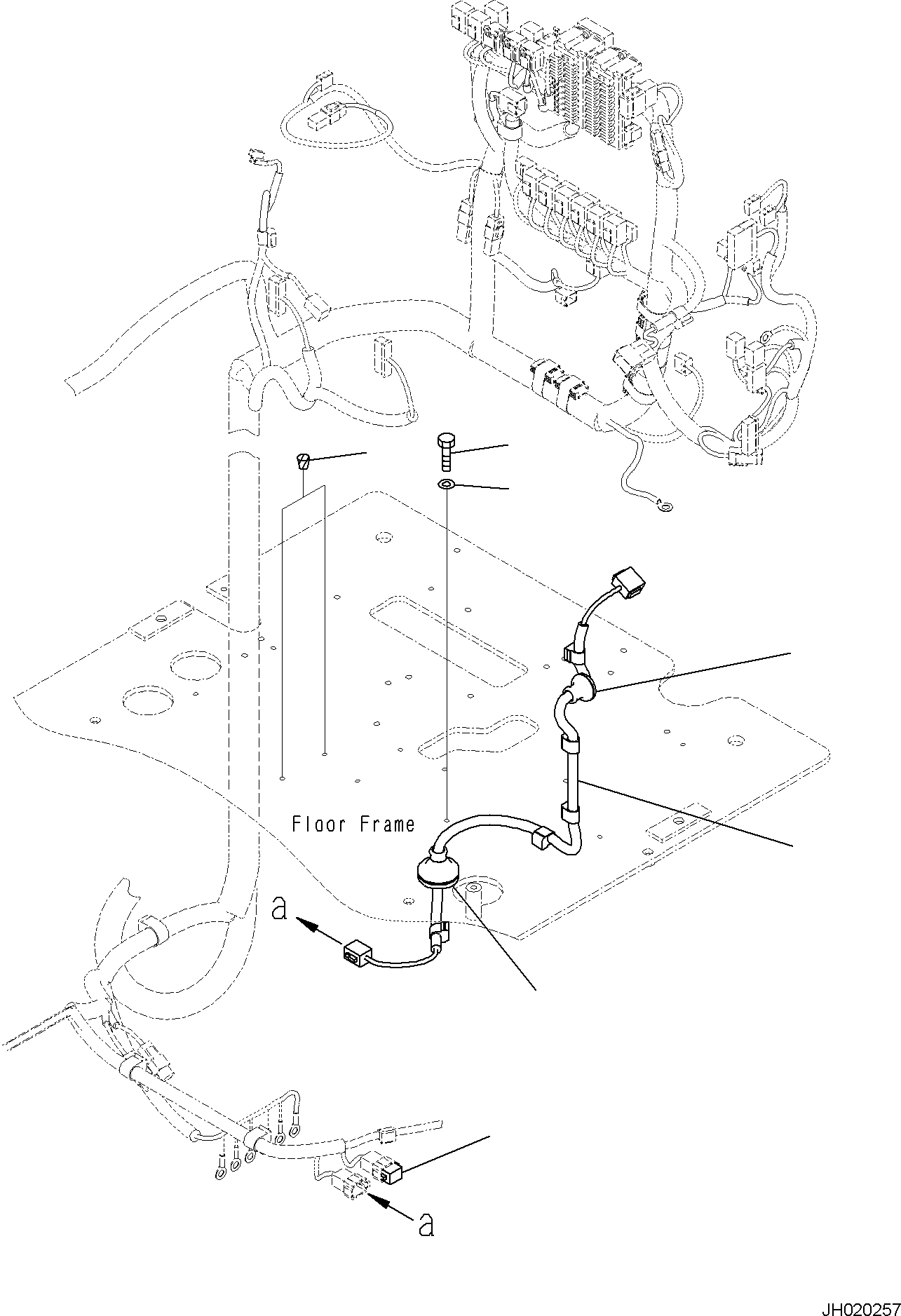
6212611203.CAB, FLOOR, REARVIEW CAMERA HARNESS (K1110-002039) in PC170LC-11 S/N F40001 AND UP. Diagram image and parts list.
Test text. Dear users! Access to the special equipment catalogs is paid. You can review the service usage rules and tariffs on the page!