Search in all models by partnumber
Search current book

Komatsu PC4000-6E S/N 08286 parts catalog PDF

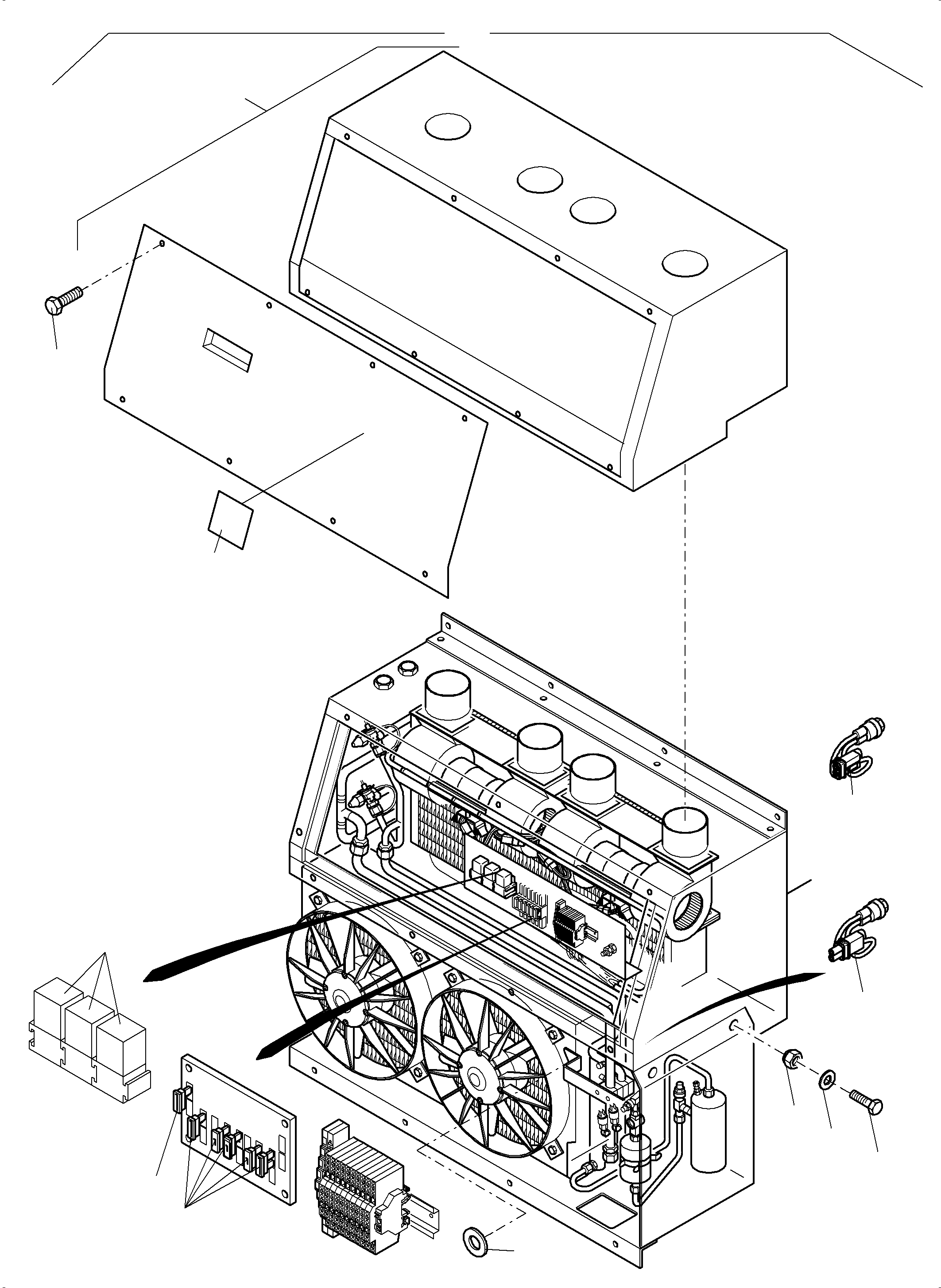
AIR CONDITIONING UNIT (991-1362a) in PC4000-6E S/N 08286. Diagram image and parts list.

Model manual types and quick links