|
|
? |
790 458 73
|
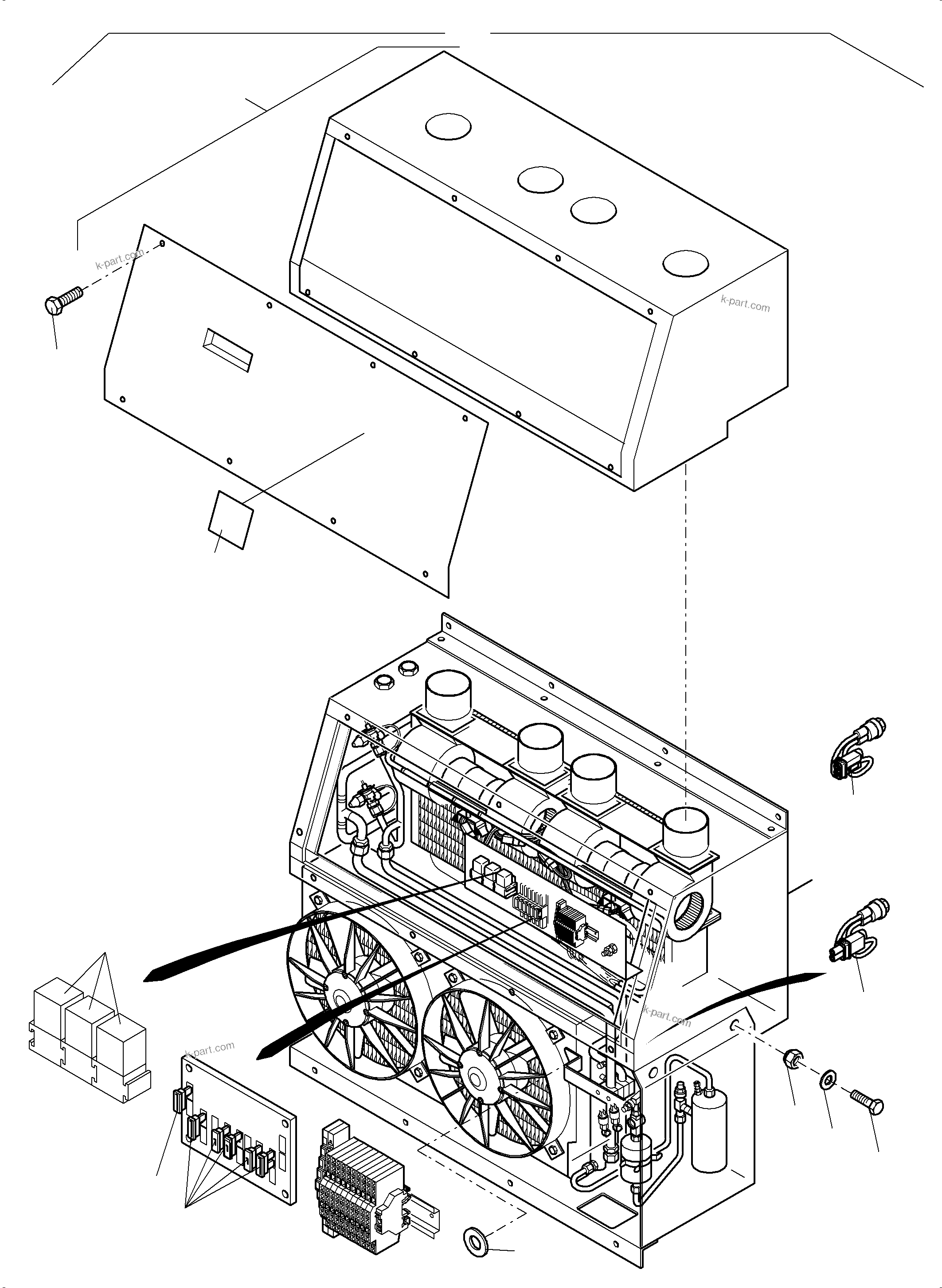
Air conditioning unit |
1 |
|
|
|
|
? |
|
Evaporator unit |
1 |
|
|
|
|
? |
|
Evaporator base |
1 |
|
|
|
|
? |
|
Insulation assy. |
1 |
|
|
|
|
? |
|
Ventilator Radial assy., incl. Pos. 34 |
1 |
|
|
|
|
? |
|
Pipe kit |
1 |
|
|
|
|
? |
|
Condenser unit |
1 |
|
|
|
|
? |
797 805 73
|
Seal 7/16" |
6 |
|
|
|
|
? |
797 807 73
|
Pressure Switch |
1 |
|
|
|
|
? |
797 808 73
|
Pressure Switch |
1 |
|
|
|
|
? |
|
Aggregate cabling |
1 |
|
|
|
|
? |
765 159 73
|
Relay base |
3 |
|
|
|
|
? |
795 829 73
|
Relay 24V 20A |
3 |
|
|
|
|
? |
765 702 73
|
Fuse 10A |
1 |
|
|
|
|
? |
765 306 73
|
Fuse 15A |
5 |
|
|
|
|
? |
|
Evaporator |
1 |
|
|
|
|
? |
793 251 73
|
Expansion valve |
2 |
|
|
|
|
? |
798 265 73
|
Socket 7/8-3/4 |
2 |
|
|
|
|
? |
797 802 73
|
Seal 3/4" |
7 |
|
|
|
|
? |
793 253 73
|
Pressure balance line |
2 |
|
|
|
|
? |
793 252 73
|
Nozzle |
2 |
|
|
|
|
? |
797 803 73
|
Seal 5/8" |
2 |
|
|
|
|
? |
|
Bolt |
4 |
|
|
|
|
? |
515 331 98
|
Washer |
4 |
|
|
|
|
? |
320 068 99
|
Nut |
4 |
|
|
|
|
? |
|
Washer |
1 |
|
|
|
|
? |
|
Clamp |
2 |
|
|
|
|
? |
|
Cover plate |
2 |
|
|
|
|
? |
343 643 99
|
Lock washer |
2 |
|
|
|
|
? |
510 506 98
|
Bolt |
2 |
|
|
|
|
? |
|
Bolt |
11 |
|
|
|
|
? |
|
Sign |
1 |
|
|
|
|
? |
790 127 73
|
Double-radial-blower, brushless |
2 |
|
|
|
|
? |
795 828 73
|
Liquid line, drier - T-distributor |
1 |
|
|
|
|
? |
795 825 73
|
Suction line, T-collector - compressor |
1 |
|
|
|
|
? |
795 827 73
|
Liquid line, condenser - collector |
1 |
|
|
|
|
? |
795 826 73
|
Liquid line, collector - drier |
1 |
|
|
|
|
? |
797 645 73
|
Liquid line, T-distributor-exp.Valves |
1 |
|
|
|
|
? |
|
Union Nut |
1 |
|
|
|
|
? |
|
Seal washer |
1 |
|
|
|
|
? |
795 873 73
|
Condenser |
1 |
|
|
|
|
? |
794 432 73
|
Element drier |
1 |
|
|
|
|
? |
794 706 73
|
Inspection glass |
1 |
|
|
|
|
? |
795 824 73
|
Check valve |
1 |
|
|
|
|
? |
794 433 73
|
Collector bottle |
1 |
|
|
|
|
? |
796 581 73
|
Pressure control valve 30bar |
-2 |
|
|
|
|
? |
765 320 73
|
Clamp |
1 |
|
|
|
|
? |
797 804 73
|
Seal 7/8" |
4 |
|
|
|
|
? |
790 102 73
|
Ventilator |
2 |
|
|
|
|
? |
507 673 98
|
Bolt |
8 |
|
|
|
|
? |
|
Lock washer |
8 |
|
|
|
|
? |
|
Union Nut |
1 |
|
|
|
|
? |
790 465 73
|
Control section, Diesel shovel |
-2 |
|
|
|
|
? |
790 466 73
|
Control section, Electro shovel |
-2 |
|
|
|
|
? |
790 459 73
|
Harness control section |
-2 |
|
|
|
|
? |
799 882 73
|
Dichtsatz Air Conditioning assy. |
1 |
|
|