Find books across the catalog from one place.
This page is prepared as the search workspace. The search behavior itself can be connected in the next step.
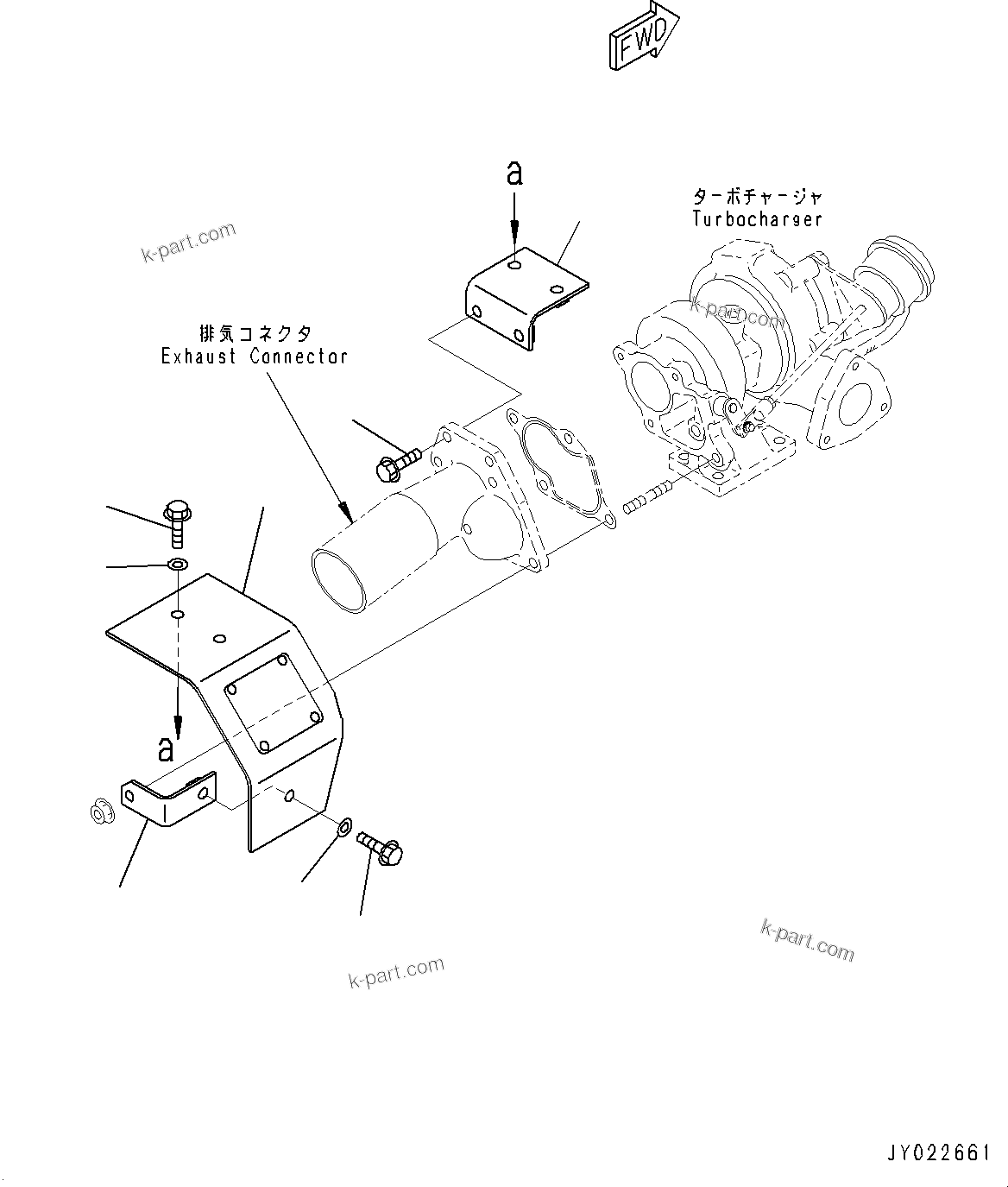
6212611203.HEAT SHIELD (#501795-) (A1570-001001) in SAA4D95LE-5D S/N 501795-UP (For PC120-8). Diagram image and parts list.
Test text. Dear users! Access to the special equipment catalogs is paid. You can review the service usage rules and tariffs on the page!