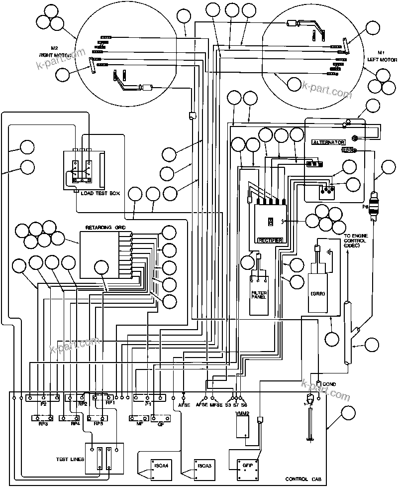
|
|
? |
PB6661
|
ALTERNATOR/BLOWER ASSM |
1 |
|
|
|
|
? |
PB8106
|
WHEEL, MOTORIZED DRIVE (787FS3) |
2 |
|
|
|
|
? |
VN3270
|
CAPSCREW - 1 1/4" - 7NC X 5" |
96 |
|
|
|
|
? |
WA0366
|
FLAT WASHER - 1 1/4" |
96 |
|
|
|
|
? |
TK5255
|
BAR, BUS |
2 |
|
|
|
|
? |
TG5720
|
CAPSCREW - 3/8" - 16NC X 1" |
2 |
|
|
|
|
? |
TR1376
|
CAPSCREW - 3/8" - 16NC X 1 1/4" |
2 |
|
|
|
|
? |
PB6489
|
RECTIFIER PANEL ASSM |
1 |
|
|
|
|
? |
TD0789
|
CAPSCREW - 3/8" - 16NC X 1 3/4" |
10 |
|
|
|
|
? |
TC1231
|
LOCKWASHER - 3/8" |
20 |
|
|
|
|
? |
TR4436
|
FLAT WASHER - 3/8" |
10 |
|
|
|
|
? |
TC1233
|
NUT - 3/8" - 16NC |
10 |
|
|
|
|
? |
|
CABINET, CONTROL (SEE INDEX) |
1 |
|
|
|
|
? |
EB4774
|
BLOWN GRID ASSM |
1 |
|
|
|
|
? |
C5764
|
CAPSCREW - 3/4" - 10NC X 6" |
4 |
|
|
|
|
? |
C1542
|
LOCKWASHER - 3/4" |
4 |
|
|
|
|
? |
WA0362
|
FLAT WASHER - 3/4" |
8 |
|
|
|
|
? |
C1527
|
NUT - 3/4" - 10NC |
4 |
|
|
|
|
? |
PB6662
|
MOTOR, BLOWER |
1 |
|
|
|
|
? |
TZ1856
|
CABLE - 74AF (DRIVE WHEEL TO DRIVE WHEEL) |
1 |
|
|
|
|
? |
TZ1854
|
CABLE - 7J4 (MF CONTACTOR TO LEFT WHEEL MOTOR) |
1 |
|
|
|
|
? |
CH1062
|
CABLE - 7J1L (CONTROL CABINET TO LEFT WHEEL MOTOR) |
1 |
|
|
|
|
? |
CH1060
|
CABLE - 7J10 (P2 CONTACTOR TO LEFT WHEEL MOTOR) |
1 |
|
|
|
|
? |
EB7679
|
CABLE - 7J9 (S3 SHUNT TO RIGHT WHEEL MOTOR) |
1 |
|
|
|
|
? |
CH1061
|
CABLE - 7J1R (CONTROL CABINET TO RIGHT WHEEL MOTOR) |
1 |
|
|
|
|
? |
EC1294
|
CABLE - (TB2, TB3, TB4 TO DRIVE WHEELS) |
1 |
|
|
|
|
? |
CH1059
|
CABLE - 7J2 (P1 CONTACTOR TO RIGHT WHEEL MOTOR) |
1 |
|
|
|
|
? |
TZ1852
|
CABLE - 74 (ALTERNATOR TO GF CONTACTOR) |
1 |
|
|
|
|
? |
TZ1853
|
CABLE - 74AA (MFSE PANEL TO ALTERNATOR) |
1 |
|
|
|
|
? |
CH1040
|
CABLE - T1 (ALTERNATOR TO RECTIFIER) |
1 |
|
|
|
|
? |
CH1041
|
CABLE - T2 (ALTERNATOR TO RECTIFIER) |
1 |
|
|
|
|
? |
CH1042
|
CABLE - T3 (ALTERNATOR TO RECTIFIER) |
1 |
|
|
|
|
? |
|
CABLE, MAGNETIC PICKUP (FURNISHED W/ ALTERNATOR) |
1 |
|
|
|
|
? |
EB8226
|
HARNESS - L.H. FRAME RAIL |
1 |
|
|
|
|
? |
TZ1851
|
CABLE - 75X (ALTERNATOR - T15 TO MFSE PANEL) |
1 |
|
|
|
|
? |
TZ0975
|
CABLE - 71G (ALTERNATOR - T16 TO S7 SHUNT) |
1 |
|
|
|
|
? |
EB7680
|
CABLE - 74D (ALTERNATOR - T14 TO S6 SHUNT) |
1 |
|
|
|
|
? |
TZ0973
|
CABLE - 71J (ALTERNATOR - T13 TO AFSE PANEL) |
1 |
|
|
|
|
? |
CH1057
|
CABLE - 7GA2 (RECTIFIER TO P1 CONTACTOR) |
1 |
|
|
|
|
? |
CH1058
|
CABLE - 7GA1 (RECTIFIER TO P2 CONTACTOR) |
1 |
|
|
|
|
? |
TY8242
|
CABLE (RECTIFIER TO FILTER PANEL) |
1 |
|
|
|
|
? |
TZ9163
|
HARNESS - GRR PANEL TO GFIP PANEL (710/79H) |
1 |
|
|
|
|
? |
|
RP1 CONTACTOR & S1-S2 SHUNTS (7J1) |
65535 |
|
|
|
|
? |
CH1404
|
CABLE - 7J2 (P1 CONTACTOR TO BLOWN GRID) |
1 |
|
|
|
|
? |
CH1402
|
CABLE - 7J8 (RP1 CONTACTOR TO BLOWN GRD) |
1 |
|
|
|
|
? |
CH1403
|
CABLE - 7J7 (RP2 CONTACTOR TO BLOWN GRID) |
1 |
|
|
|
|
? |
CH1401
|
CABLE - 7J10 (P2 CONTACTOR TO BLOWN GRID) |
1 |
|
|
|
|
? |
CH1410
|
CABLE - 7J32 (RP5 CONTACTOR TO BLOWN GRID) |
1 |
|
|
|
|
? |
CH1409
|
CABLE - 7J30 (RP5 CONTACTOR TO BLOWN GRID) |
1 |
|
|
|
|
? |
CH1408
|
CABLE - 7J18 (RP4 CONTACTOR TO BLOWN GRID) |
1 |
|
|
|
|
? |
CH1407
|
CABLE - 7J17 (RP4 CONTACTOR TO BLOWN GRID) |
1 |
|
|
|
|
? |
CH1406
|
CABLE - 7J16 (RP3 CONTACTOR TO BLOWN GRID) |
1 |
|
|
|
|
? |
CH1405
|
CABLE - 7J15 (RP3 CONTACTOR TO BLOWN GRID) |
1 |
|
|
|
|
? |
CH1653
|
CABLE - 7J1RS (TEST LINKS TO LOAD TEST BOX) |
1 |
|
|
|
|
? |
CH1653
|
CABLE - 7J1RS (TEST LINKS TO LOAD TEST BOX) |
1 |
|
|
|
|
? |
CH1654
|
CABLE - 7J1LS (TEST LINKS TO LOAD TEST BOX) |
1 |
|
|
|
|
? |
CH1654
|
CABLE - 7J1LS (TEST LINKS TO LOAD TEST BOX) |
1 |
|
|
|
|
? |
CH1655
|
CABLE - 7J18 (LOAD TEST TO CONTROL CABINET) |
1 |
|
|
|
|
? |
CH1655
|
CABLE - 7J18 (LOAD TEST TO CONTROL CABINET) |
1 |
|
|
|
|
? |
EB7401
|
CABLE - 1S0A3/1A0A4 |
1 |
|
|