|
|
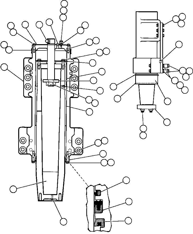
0 |
EF8357
|
FRONT SUSPENSION ASSEMBLY - 14.00" |
1 |
|
|
|
|
1 |
WA2892
|
PLATE, WARNING |
2 |
|
|
|
|
2 |
R1073
|
DRIVE SCREW - #6 X 3/16" |
8 |
|
|
|
|
3 |
VN9077
|
CAPSCREW - 3/4" - 10NC X 2 1/4" |
24 |
|
|
|
|
4 |
WA0362
|
FLAT WASHER - 3/4" |
48 |
|
|
|
|
5 |
EC4593
|
CAP, SUSPENSION |
1 |
|
|
|
|
6 |
TY8879
|
PLUG, VENT |
1 |
|
|
|
|
7 |
TM9278
|
PROTECTOR |
1 |
|
|
|
|
8 |
C1602
|
CAPSCREW - 3/8" - 16NC X 1" |
2 |
|
|
|
|
9 |
C0312
|
LOCKWASHER - 3/8" |
2 |
|
|
|
|
10 |
PB2194
|
CHARGING VALVE ASSEMBLY (1)/(2) |
1 |
|
|
|
|
10 |
TD7179
|
CORE, VALVE |
1 |
|
|
|
|
10 |
TR9993
|
CAP |
1 |
|
|
|
|
10 |
TF1144
|
O-RING |
1 |
|
|
|
|
10 |
WA0052
|
O-RING |
1 |
|
|
|
|
11 |
VD5076
|
GASKET |
1 |
|
|
|
|
12 |
WA0106
|
SEAL, O-RING (1) |
4 |
|
|
|
|
13 |
WA1281
|
RING, BACKUP (1) |
4 |
|
|
|
|
14 |
VN9105
|
CAPSCREW - 7/8" - 9NC X 3" |
12 |
|
|
|
|
15 |
WA0363
|
FLAT WASHER - 7/8" |
12 |
|
|
|
|
16 |
TZ0302
|
BEARING, UPPER |
1 |
|
|
|
|
17 |
TY8125
|
WASHER, SNUBBER |
1 |
|
|
|
|
18 |
H2981
|
BALL, STEEL - 3/4" |
2 |
|
|
|
|
19 |
VW4451
|
NUT, WHEEL |
1 |
|
|
|
|
20 |
VC2629
|
PIN |
1 |
|
|
|
|
21 |
EF8395
|
PISTON |
1 |
|
|
|
|
22 |
EF8393
|
BEARING |
1 |
|
|
|
|
23 |
VN9130
|
CAPSCREW - 3/4" - 10NC X 3 3/4" |
24 |
|
|
|
|
24 |
VM0314
|
PLUG, O-RING |
1 |
|
|
|
|
25 |
VJ3911
|
OIL, SUSPENSION - (5 GALLON CAN) |
5 |
|
|
|
|
26 |
TY5376
|
HOUSING |
1 |
|
|
|
|
27 |
PB7978
|
SEAL, ROD BUFFER - 14" (1) |
1 |
|
|
|
|
28 |
PB9581
|
SEAL, ROD DOUBLE LIP - 14" (1) |
1 |
|
|
|
|
29 |
PB9580
|
SEAL, WIPER - 14" (1) |
1 |
|
|
|
|
30 |
TZ0316
|
PLATE |
1 |
|
|
|
|
31 |
TZ8637
|
PLUG - SENSOR |
1 |
|
|
|
|
32 |
WA0404
|
NUT - 1 1/2" - 6NC |
10 |
|
|
|
|
33 |
TX9708
|
KEY, SHEAR |
1 |
|
|
|
|
34 |
EB2082
|
CAPSCREW - 1 1/2" - 6NC X 12 1/2" |
8 |
|
|
|
|
35 |
TX9710
|
SPACER |
4 |
|
|
|
|
36 |
TY9252
|
BOOT |
1 |
|
|
|
|
37 |
TY9253
|
WIRE, BOOT |
1 |
|
|
|
|
38 |
WA2955
|
CLAMP, HOSE |
2 |
|
|
|
|
39 |
VN9182
|
CAPSCREW - 1 1/2" - 6NC X 6" |
6 |
|
|
|
|
40 |
WA0368
|
FLAT WASHER - 1 1/2" |
24 |
|
|
|
|
41 |
TY2149
|
FLAT WASHER |
12 |
|
|
|
|
42 |
TY2228
|
PLATE, RETAINING |
1 |
|
|
|
|
43 |
WA4817
|
CAPSCREW - 1 1/4" - 12NF X 5" (12 POINT) |
12 |
|
|
|
|
NS|49 |
AK7160
|
NOTE: (1) INCLUDED IN AK7160 SEAL KIT. |
65535 |
|
|
|
|
NS|50 |
RK1887
|
(2) INCLUDED IN RK1887 CHARGING VALVE |
65535 |
|
|
|
|
NS|51 |
|
REPAIR KIT. |
65535 |
|
|
|
|
NS|52 |
|
(QUANTITIES SHOWN ARE FOR ONE SIDE ONLY.) |
65535 |
|
|