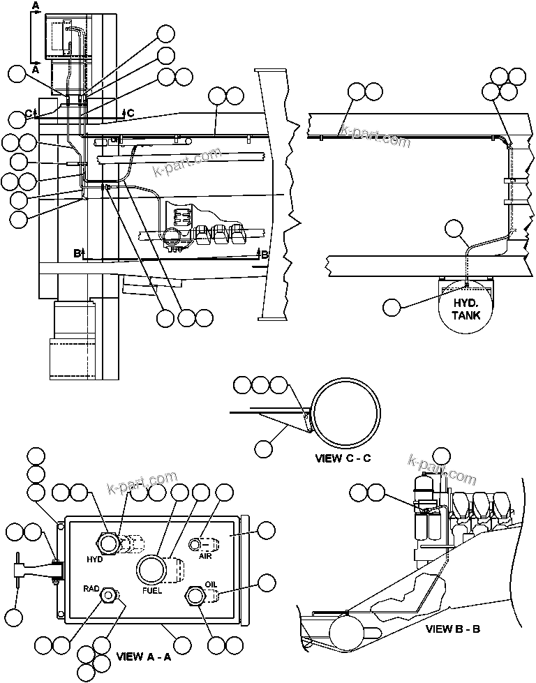
|
|
? |
HA1405
|
HOSE |
1 |
|
|
|
|
? |
VP5250
|
FITTING, TUBE |
1 |
|
|
|
|
? |
WA3043
|
FITTING, STRAIGHT ADAPTOR |
1 |
|
|
|
|
? |
HA1587
|
HOSE |
1 |
|
|
|
|
? |
WA4706
|
CLAMP |
3 |
|
|
|
|
? |
EC1703
|
SUPPORT, TUBE |
2 |
|
|
|
|
? |
WA4705
|
CLAMP |
2 |
|
|
|
|
? |
EF7240
|
TUBE |
1 |
|
|
|
|
? |
EC1680
|
TUBE |
1 |
|
|
|
|
? |
WB0263
|
ELBOW - 90 DEG |
1 |
|
|
|
|
? |
EC1705
|
SUPPORT, TUBE |
1 |
|
|
|
|
? |
MM0459
|
FLAT WASHER - M6 |
3 |
|
|
|
|
? |
HA0904
|
HOSE |
1 |
|
|
|
|
? |
HA1474
|
HOSE |
1 |
|
|
|
|
? |
VC9818
|
HOSE |
1 |
|
|
|
|
? |
EC1678
|
TUBE |
1 |
|
|
|
|
? |
WA4704
|
CLAMP |
7 |
|
|
|
|
? |
EB7573
|
TUBE |
1 |
|
|
|
|
? |
EB7574
|
TUBE |
1 |
|
|
|
|
? |
HA0442
|
HOSE |
1 |
|
|
|
|
? |
WB0690
|
FITTING, STRAIGHT ADAPTOR |
1 |
|
|
|
|
? |
WB0561
|
FITTING, TEE |
1 |
|
|
|
|
? |
MM0176
|
NUT - M6 X 1.00 |
3 |
|
|
|
|
? |
C1639
|
CAPSCREW - 5/16" - 18NC X 2" |
1 |
|
|
|
|
? |
VN9951
|
LOCKNUT - 5/16" - 18NC |
1 |
|
|
|
|
? |
MM0030
|
CAPSCREW - M8 X 1.25 X 30 |
4 |
|
|
|
|
? |
MM0460
|
FLAT WASHER - M8 |
8 |
|
|
|
|
? |
MM0177
|
NUT - M8 X 1.25 |
4 |
|
|
|
|
? |
PB9213
|
RECEIVER, HYDRAULIC |
1 |
|
|
|
|
? |
WB0948
|
LOCKNUT, BULKHEAD |
1 |
|
|
|
|
? |
WB0690
|
FITTING, STRAIGHT ADAPTOR |
1 |
|
|
|
|
? |
WB0548
|
FITTING - 45 DEG |
1 |
|
|
|
|
? |
|
RECEIVER, FUEL (SEE FIG 55165) |
1 |
|
|
|
|
? |
|
FITTING, 90 DEG (SEE FIG 55165) |
1 |
|
|
|
|
? |
WB0267
|
ELBOW - 90 DEG |
1 |
|
|
|
|
? |
WB0517
|
FITTING - 90 DEG |
1 |
|
|
|
|
? |
PB9212
|
RECEIVER, CRANKCASE |
1 |
|
|
|
|
? |
WB0947
|
LOCKNUT, BULKHEAD |
1 |
|
|
|
|
? |
EF7238
|
ENCLOSURE |
1 |
|
|
|
|
? |
WB0540
|
FITTING - 45 DEG |
1 |
|
|
|
|
? |
TG5601
|
CONNECTOR, HOSE |
1 |
|
|
|
|
? |
SD5163
|
FITTING, PIPE |
1 |
|
|
|
|
? |
SD5209
|
BUSHING, PIPE |
1 |
|
|
|
|
? |
PB9211
|
RECEIVER, COOLANT |
1 |
|
|
|
|
? |
WB0945
|
LOCKNUT, BULKHEAD |
1 |
|
|
|
|
? |
PB6842
|
HOOK, RUBBER HOOD |
1 |
|
|
|
|
? |
PC0120
|
ADAPTOR |
1 |
|
|
|
|
? |
PC0119
|
SEAL, ADAPTOR - 14MM |
1 |
|
|
|
|
? |
HA0759
|
HOSE |
1 |
|
|
|
|
? |
MM0047
|
CAPSCREW - M10 X 1.50 X 30 |
6 |
|
|
|
|
? |
MM0461
|
FLAT WASHER - M10 |
12 |
|
|
|
|
? |
MM0178
|
NUT - M10 X 1.50 |
6 |
|
|
|
|
? |
TM2379
|
DECAL, SERVICE CENTER |
1 |
|
|
|
|
? |
TC1565
|
CLAMP |
3 |
|
|
|
|
? |
MM0634
|
WELD STUD - M6 X 20 |
3 |
|
|
|
|
? |
|
NOTE: BD5751 SERVICE CENTER IS NOT SOLD AS AN |
65535 |
|
|
|
|
? |
|
ASSEMBLY. ORDER INDIVDUAL COMPONENT PARTS. |
65535 |
|
|