Find books across the catalog from one place.
This page is prepared as the search workspace. The search behavior itself can be connected in the next step.
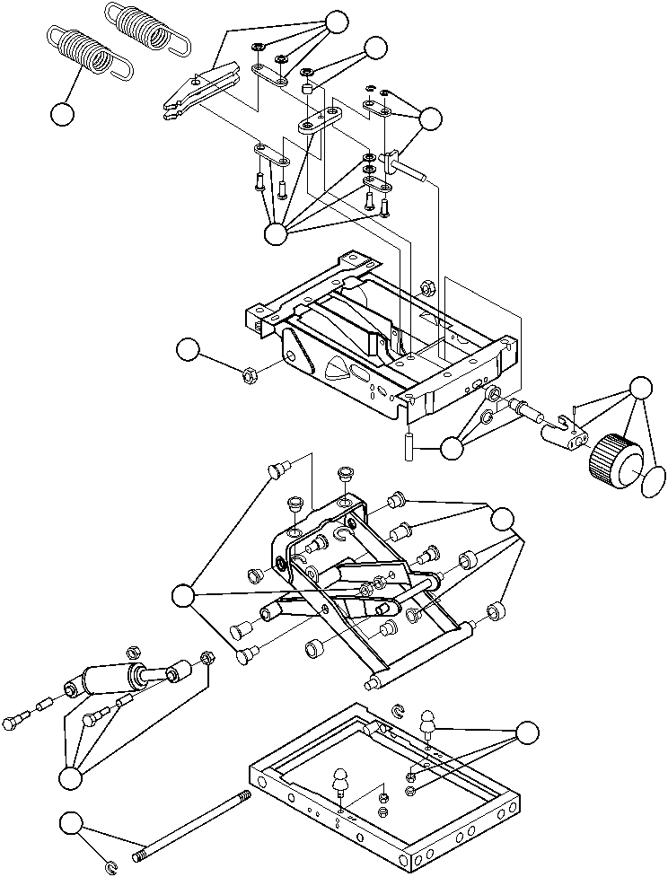
6212611203.OPERATOR'S SEAT ASSEMBLY - 4 (PB9771) (55121) in AFE47-AD 730E SISHEN (A30095 & A30098). Diagram image and parts list.
Test text. Dear users! Access to the special equipment catalogs is paid. You can review the service usage rules and tariffs on the page!