Search in all models by partnumber
Search current book

Komatsu AFE47-BS 730E S/N A30220-A30224 PAMA parts catalog PDF

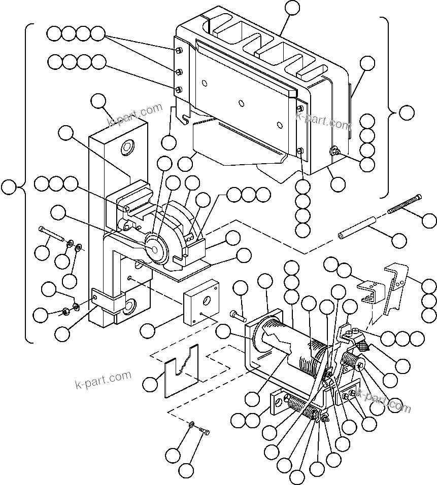
CONTACTOR - GF & MF (VE1317) (64069) in AFE47-BS 730E S/N A30220-A30224 PAMA. Diagram image and parts list.

Model manual types and quick links