|
|
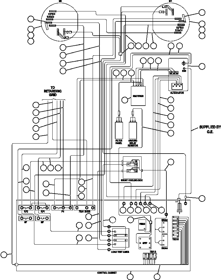
1 |
PB9266
|
ALTERNATOR/BLOWER ASSEMBLY (SEE INDEX) |
1 |
|
64104A |
|
|
2 |
PB9732
|
WHEEL, MOTORIZED DRIVE (788FS10) (SEE INDEX) |
2 |
|
55853 |
|
|
3 |
VN3270
|
CAPSCREW - 1 1/4" - 7NC X 5" |
96 |
|
|
|
|
4 |
WA0366
|
FLAT WASHER - 1 1/4" |
96 |
|
|
|
|
5 |
TK5255
|
BAR, BUS |
2 |
|
|
|
|
5 |
TG5720
|
CAPSCREW - 3/8" - 16NC X 1" |
2 |
|
|
|
|
5 |
TR1376
|
CAPSCREW - 3/8" - 16NC X 1 1/4" |
2 |
|
|
|
|
6 |
GE0557
|
RECTIFIER PANEL (SEE INDEX) |
1 |
|
64036 |
|
|
7 |
|
CABINET, CONTROL (ORDER FROM FACTORY) |
1 |
|
|
|
|
8 |
CH2531
|
CABLE - 74AF (DRIVE WHEEL TO DRIVE WHEEL) |
1 |
|
|
|
|
9 |
CH2597
|
CABLE - 7J4 (MF CONTACTOR TO LEFT WHEEL MOTOR) |
1 |
|
|
|
|
10 |
CH2524
|
CABLE - 7J9 (S3 SHUNT TO RIGHT WHEEL MOTOR) |
1 |
|
|
|
|
11 |
ED3913
|
CABLE - G.E. CONDUIT |
1 |
|
|
|
|
12 |
CH3193
|
CABLE - 7J2 (P1 CONTACTOR TO RIGHT WHEEL MOTOR) |
1 |
|
|
|
|
13 |
CH2153
|
CABLE - 7J1R (CONTROL CABINET TO RIGHT WHEEL MOTOR) |
1 |
|
|
|
|
14 |
CH3194
|
CABLE - 7GA1 (LEFT WHEEL, MOTOR TO CONTROL CABINET) |
1 |
|
|
|
|
15 |
CH2154
|
CABLE - 7J1L (CONTROL CABINET TO LEFT WHEEL MOTOR) |
1 |
|
|
|
|
16 |
CH2599
|
CABLE - 74 (ALTERNATOR TO GF CONTACTOR) |
1 |
|
|
|
|
17 |
CH2595
|
CABLE - 74AA (ALTERNATOR TO AFSE CONTACTOR) |
1 |
|
|
|
|
18 |
CH3924
|
CABLE - T1 (ALTERNATOR TO RECTIFIER) |
1 |
|
|
|
|
19 |
CH3925
|
CABLE - T2 (ALTERNATOR TO RECTIFIER) |
1 |
|
|
|
|
20 |
CH3926
|
CABLE - T3 (ALTERNATOR TO RECTIFIER) |
1 |
|
|
|
|
21 |
CH2596
|
CABLE - 75X (ALTERNATOR - T15 TO MFSE PANEL) |
1 |
|
|
|
|
22 |
CH2594
|
CABLE - 74D (ALTERNATOR - T14 TO S6 SHUNT |
1 |
|
|
|
|
23 |
CH2593
|
CABLE - 71J (ALTERNATOR - T13 TO AFSE PANEL) |
1 |
|
|
|
|
24 |
CH2591
|
CABLE - 71G (ALTERNATOR - T16 TO S7 SHUNT) |
1 |
|
|
|
|
25 |
EC9217
|
HARNESS - (GRR PANEL TO GRR CONTACTOR) |
1 |
|
|
|
|
26 |
EK8657
|
HARNESS - 3 & 7 STEP ERR |
1 |
|
|
|
|
27 |
|
CABLE - 7GA1 (CONTROL CABINET TO BLOWN GRID) (1) |
1 |
|
|
|
|
28 |
|
CABLE - 7J2 (P1 CONTACTOR TO BLOWN GRID) (1) |
1 |
|
|
|
|
29 |
|
CABLE - 7J8 (RP1 CONTACTOR TO BLOWN GRID) (1) |
1 |
|
|
|
|
30 |
|
CABLE - 7J7 (RP2 CONTACTOR TO BLOWN GRID) (1) |
1 |
|
|
|
|
31 |
EC7269
|
HARNESS - (SHUNT 1 & 2 TO ISOA 3 & 4) |
1 |
|
|
|
|
32 |
CH3901
|
CABLE - 7GA2 (RECTIFIER TO P1 CONTACTOR) |
1 |
|
|
|
|
33 |
CH3197
|
CABLE - 7J1 (RP2 CONTACTOR TO LOAD TEST BOX) |
1 |
|
|
|
|
34 |
CH3198
|
CABLE - 7J7 (RP2 CONTACTOR TO LOAD TEXT BOX) |
1 |
|
|
|
|
35 |
CH3199
|
CABLE - 7J8 (RP1 CONTACTOR TO CONTROL CABINET) |
1 |
|
|
|
|
36 |
CH2156
|
CABLE - 7J1LS (CONTROL CABINET TO LOAD TEST BOX) |
1 |
|
|
|
|
37 |
CH2155
|
CABLE - 7J1RS (CONTROL CABINET TO LOAD TEST BOX) |
1 |
|
|
|
|
38 |
CH3911
|
CABLE - 7GA1 (RECTIFIER TO CONTROL CABINET) |
1 |
|
|
|
|
39 |
EC7734
|
HARNESS - (RECTIFIER TO FILTER PANEL) |
1 |
|
|
|
|
NS|42 |
|
NOTE: (1) CABLES SUPPLIED BY GRID BOX SENSOR. |
-1 |
|
|